STANDARD BORE BALL VALVE 380 FEMALE THREADS CONNECTION
Characteristics
Мах. temperature (Т) °С.: +200 °С
Мin. temperature (Т) °С.: -60 °С
Valve tightness rate: Class "A"
Service life: At least 40 years.
Warranty period: 3 years or 10 000 cycles.
FEMALE THREADS CONNECTION
Working medium:
Natural gas, liquefied petroleum gas, gaseous media, non aggressive towards
valve materials.
Modifications
| PRODUCT NUMBER | DN | PN | L | L1 | H | H1 | D | R | D2 | Вес | |
|---|---|---|---|---|---|---|---|---|---|---|---|
| 38020015 | 15 | 40 | 100 | 157,5 | 67 | 15,5 | 42 | 1/2 | 10 | 0,72 | |
| 38020020 | 20 | 40 | 100 | 157,5 | 69 | 17,5 | 42 | 3/4 | 15 | 0,72 | |
| 38020025 | 25 | 40 | 100 | 157,5 | 72 | 17 | 48 | 1 | 18 | 0,91 | |
| 38020032 | 32 | 40 | 85 | 157,5 | 76 | 17 | 57 | 1 1/4 | 24 | 1,00 | |
| 38020040 | 40 | 40 | 120 | 240 | 126 | 37,5 | 60 | 1 1/2 | 30 | 2,00 | |
| 38020050 | 50 | 40 | 145 | 240 | 134,5 | 38 | 76 | 72 | 40 | 2/95 | |
| 38020065 | 65 | 25 | 190 | 240 | 142 | 39 | 89 | 2 1/2 | 48 | 3,76 | |
| 38020080 | 80 | 25 | 200 | 276 | 172,5 | 57 | 114 | 3 | 63 | 6,14 | |
| 38020100 | 100 | 25 | 240 | 276 | 182 | 57 | 133 | 4 | 75 | 11,4 |
STANDARD BORE BALL VALVE 382 WELDED CONNECTION
Characteristics
Мах. temperature (Т) °С.: +200 °С
Мin. temperature (Т) °С.: -60 °С
Valve tightness rate: Class "A"
Service life: At least 40 years.
Warranty period: 3 years or 10 000 cycles.
Working medium:
Natural gas, liquefied petroleum gas, gaseous media, non aggressive towards
valve materials.
Modifications
| PRODUCT NUMBER | DN | PN | L | L1 | H | H1 | D | D1 | D2 | S | Вес | |
|---|---|---|---|---|---|---|---|---|---|---|---|---|
| 38220015 | 15 | 40 | 200 | 157,5 | 67 | 15,5 | 42 | 22 | 10 | 3 | 0,70 | |
| 38220020 | 20 | 40 | 200 | 157,5 | 69 | 17,5 | 42 | 27 | 15 | 3 | 0,80 | |
| 38220025 | 25 | 40 | 230 | 157,5 | 72 | 17 | 57 | 42 | 24 | 3 | 1,35 | |
| 38220032 | 32 | 40 | 230 | 157,5 | 76 | 17 | 57 | 42 | 24 | 3 | 1,35 | |
| 38220040 | 40 | 40 | 250 | 240 | 126 | 37,5 | 60 | 48 | 30 | 3 | 1,9 | |
| 38220050 | 50 | 40 | 270 | 240 | 134,5 | 38 | 76 | 57 | 40 | 3,5 | 2,50 | |
| 38220065 | 65 | 25 | 280 | 240 | 142 | 39 | 89 | 76 | 48 | 3,5 | 3,50 | |
| 38220080 | 80 | 25 | 280 | 276 | 172,5 | 57 | 114 | 89 | 63 | 4 | 5,00 | |
| 38220100 | 100 | 25 | 300 | 276 | 182 | 57 | 133 | 108 | 75 | 5 | 6,8 |
STANDARD BORE BALL VALVE 382 (equipped with ISO flange for actuator) WELDED CONNECTION
Characteristics
Мах. temperature (Т) °С.: +200 °С
Мin. temperature (Т) °С.: -60 °С
Valve tightness rate: Class "A"
Service life: At least 40 years.
Warranty period: 3 years or 10 000 cycles.
Working medium
Natural gas, liquefied petroleum gas, gaseous media, non aggressive towards
valve materials.
Modifications
| PRODUCT NUMBER | DN | PN | L | L1 | H | H1 | D | D1 | D2 | S | Вес | |
|---|---|---|---|---|---|---|---|---|---|---|---|---|
| 38220125 | 125 | 25 | 330 | 525 | 187 | 50 | 180 | 133 | 100 | 5 | 14,30 | |
| 38220150 | 150 | 25 | 360 | 525 | 203 | 47 | 219 | 156 | 125 | 6 | 19,05 | |
| 38220200 | 200 | 25 | 430 | 525 | 228 | 45 | 273 | 219 | 148 | 8 | 31,75 | |
| 38220250 | 250 | 25 | 510 | 1030 | 273 | 51 | 351 | 273 | 200 | 8 | 60,35 | |
| 38220300 | 300 | 16/25 | 730 | - | 414 | 101 | 426 | 325 | 240 | 10 | 122,65 | |
| 38220350 | 350 | 16/25 | 730 | - | 464 | 100 | 530 | 377 | 300 | 10 | 235,00 | |
| 38220400 | 400 | 16/25 | 860 | - | 464 | 100 | 530 | 426 | 300 | 10 | 285,00 | |
| 38220500 | 500 | 16/25 | 970 | - | 561 | 103 | 630 | 530 | 390 | 10 | 455,00 |
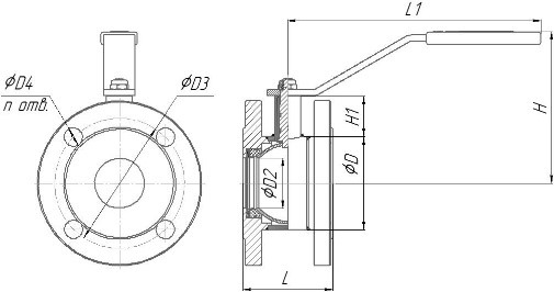
STANDARD BORE BALL VALVE 383 FLANGED CONNECTION
Characteristics
Мах. temperature (Т) °С.: +200 °С
Мin. temperature (Т) °С.: -60 °С
Valve tightness rate: Class "A"
Service life: At least 40 years.
Warranty period: 3 years or 10 000 cycles.
Working medium
Natural gas, liquefied petroleum gas, gaseous media, non aggressive towards
valve materials.
Modifications
| PRODUCT NUMBER | DN | PN | L | L1 | H | H1 | D | D1 | D2 | D3 | N OF HOLES | Вес | |
|---|---|---|---|---|---|---|---|---|---|---|---|---|---|
| 38320015 | 15 | 40 | 130 | 157,5 | 67 | 15,5 | 42 | 42 | 10 | 14 | 4 | 1,80 | |
| 38320020 | 20 | 40 | 150 | 157,5 | 69 | 17,5 | 42 | 75 | 15 | 14 | 4 | 2,35 | |
| 38320025 | 25 | 40 | 160 | 157,5 | 72 | 17 | 48 | 85 | 18 | 14 | 4 | 2,85 | |
| 38320032 | 32 | 40 | 180 | 157,5 | 76 | 17 | 57 | 100 | 24 | 18 | 4 | 3,95 | |
| 38320040 | 40 | 40 | 200 | 240 | 126 | 37,5 | 60 | 110 | 30 | 18 | 4 | 5,10 | |
| 38320050 | 50 | 40 | 230 | 240 | 134,5 | 38 | 76 | 125 | 40 | 18 | 4 | 6,15 | |
| 38320065 | 65 | 16 | 270 | 240 | 142 | 39 | 89 | 145 | 48 | 18 | 4 | 8,40 | |
| 38320080 | 80 | 16 | 280 | 276 | 172,5 | 57 | 114 | 160 | 63 | 18 | 4 | 11,10 | |
| 38320100 | 100 | 16 | 300 | 276 | 182 | 57 | 133 | 180 | 75 | 18 | 8 | 13,90 |
STANDARD BORE BALL VALVE 384 FLANGED CONNECTION* PN25
Characteristics
Мах. temperature (Т) °С.: +200 °С
Мin. temperature (Т) °С.: -60 °С
Valve tightness rate: Class "A"
Service life: At least 40 years.
Warranty period: 3 years or 10 000 cycles.
Working medium
Natural gas, liquefied petroleum gas, gaseous media, non aggressive towards
valve materials.
Modifications
| PRODUCT NUMBER | DN | PN | L | L1 | H | H1 | D | D1 | D2 | D3 | N OF HOLES | Вес | |
|---|---|---|---|---|---|---|---|---|---|---|---|---|---|
| 38420065 | 65 | 25 | 270 | 240 | 142 | 39 | 89 | 145 | 48 | 18 | 8 | 9,10 | |
| 38420080 | 80 | 25 | 280 | 276 | 172,5 | 57 | 114 | 160 | 63 | 18 | 8 | 11,90 | |
| 38420100 | 100 | 25 | 300 | 276 | 182 | 57 | 133 | 190 | 75 | 22 | 8 | 19,40 |
STANDARD BORE BALL VALVE 384 (equipped with ISO flange for actuator) FLANGED CONNECTION* PN25
Characteristics
Мах. temperature (Т) °С.: +200 °С
Мin. temperature (Т) °С.: -60 °С
Valve tightness rate: Class "A"
Service life: At least 40 years.
Warranty period: 3 years or 10 000 cycles.
Working medium
Natural gas, liquefied petroleum gas, gaseous media, non aggressive towards
valve materials.
Modifications
| PRODUCT NUMBER | DN | PN | L | L1 | H | H1 | D | D1 | D2 | D3 | N OF HOLES | Вес | |
|---|---|---|---|---|---|---|---|---|---|---|---|---|---|
| 38420125 | 125 | 25 | 350 | 525 | 187 | 50 | 180 | 210 | 100 | 26 | 8 | 31,30 | |
| 38420150 | 150 | 25 | 380 | 525 | 203 | 48 | 219 | 240 | 125 | 26 | 8 | 38,70 | |
| 38420200 | 200 | 25 | 450 | 525 | 228 | 45 | 273 | 295 | 148 | 26 | 12 | 58,35 | |
| 38420250 | 250 | 25 | 530 | 1030 | 273 | 51 | 351 | 355 | 200 | 30 | 12 | 108,50 | |
| 38420300 | 300 | 25 | 750 | - | 414 | 101 | 426 | 410 | 240 | 30 | 16 | 163,00 | |
| 38420350 | 350 | 25 | 750 | - | 464 | 100 | 530 | 470 | 300 | 33 | 16 | 282,00 | |
| 38420400 | 400 | 25 | 880 | - | 464 | 100 | 530 | 525 | 300 | 33 | 16 | 357,00 | |
| 38420500 | 500 | 25 | 990 | - | 561 | 103 | 630 | 650 | 390 | 39 | 20 | 617,00 |
STANDARD BORE BALL VALVE 385 CHOKE-NIPPLE CONNECTION
Characteristics
Мах. temperature (Т) °С.: +200 °С
Мin. temperature (Т) °С.: -60 °С
Valve tightness rate: Class "A"
Service life: At least 40 years.
Warranty period: 3 years or 10 000 cycles.
Working medium
Natural gas, liquefied petroleum gas, gaseous media, non aggressive towards
valve materials.
Modifications
| PRODUCT NUMBER | DN | PN | L | L1 | H | H1 | D | D1 | D2 | |
|---|---|---|---|---|---|---|---|---|---|---|
| 38520015 | 15 | 40 | 220 | 160 | 68 | 12 | 42 | 21 | 10 | |
| 38520020 | 20 | 40 | 230 | 160 | 68 | 12 | 42 | 27 | 15 | |
| 38520025 | 25 | 40 | 250 | 160 | 71 | 12 | 48 | 32 | 18 | |
| 38520032 | 32 | 40 | 260 | 160 | 75 | 12 | 57 | 38 | 24 | |
| 38520040 | 40 | 40 | 320 | 245 | 145 | 43 | 76 | 48 | 30 |
STANDARD BORE BALL VALVE (SHORT LENGTH) 386 FLANGED CONNECTION
Characteristics
Мах. temperature (Т) °С.: +200 °С
Мin. temperature (Т) °С.: -60 °С
Valve tightness rate: Class "A"
Service life: At least 40 years.
Warranty period: 3 years or 10 000 cycles.
Working medium
Natural gas, liquefied petroleum gas, gaseous media, non aggressive towards
valve materials.
Modifications
| PRODUCT NUMBER | DN | PN | L | L1 | H | H1 | D | D1 | D2 | D3 | N OF HOLES | Вес | |
|---|---|---|---|---|---|---|---|---|---|---|---|---|---|
| 38620015 | 15 | 40 | 120 | 157,5 | 67 | 15,5 | 42 | 65 | 10 | 14 | 4 | 1,60 | |
| 38620020 | 20 | 40 | 120 | 157,5 | 69 | 17,5 | 42 | 75 | 15 | 14 | 4 | 2,15 | |
| 38620025 | 25 | 40 | 140 | 157,5 | 72 | 17 | 48 | 85 | 18 | 14 | 4 | 2,60 | |
| 38620032 | 32 | 40 | 140 | 157,5 | 76 | 17 | 57 | 100 | 24 | 18 | 4 | 3,70 | |
| 38620040 | 40 | 40 | 165 | 240 | 126 | 37,5 | 60 | 110 | 30 | 18 | 4 | 5,05 | |
| 38620050 | 50 | 40 | 180 | 240 | 134,5 | 38 | 76 | 125 | 40 | 18 | 4 | 6,00 | |
| 38620065 | 65 | 16 | 200 | 240 | 142 | 39 | 89 | 145 | 48 | 18 | 4 | 8,60 | |
| 38620080 | 80 | 16 | 210 | 276 | 172,5 | 57 | 133 | 180 | 75 | 18 | 4 | 10,56 | |
| 38620100 | 100 | 16 | 230 | 276 | 182 | 57 | 133 | 180 | 75 | 18 | 8 | 13,28 | |
| 38620125 | 125 | 16 | 254 | 525 | 187 | 50 | 180 | 210 | 100 | 18 | 8 | 23,10 | |
| 38620150 | 150 | 16 | 280 | 525 | 203 | 48 | 219 | 240 | 125 | 22 | 8 | 30,40 |
STANDARD BORE BALL VALVE 389 FLANGED / WELDED CONNECTION
Characteristics
Мах. temperature (Т) °С.: +200 °С
Мin. temperature (Т) °С.: -60 °С
Valve tightness rate: Class "A"
Service life: At least 40 years.
Warranty period: 3 years or 10 000 cycles.
Working medium
Natural gas, liquefied petroleum gas, gaseous media, non aggressive towards
valve materials.
Modifications
| PRODUCT NUMBER | DN | PN | L | L1 | H | H1 | S | d | D | D1 | D2 | D3 | N OF HOLES | |
|---|---|---|---|---|---|---|---|---|---|---|---|---|---|---|
| 38920015 | 15 | 40 | 165 | 157,5 | 67 | 15,5 | 3,0 | 22 | 42 | 65 | 10 | 14 | 4 | |
| 38920020 | 20 | 40 | 175 | 157,5 | 69 | 17,5 | 3,0 | 27 | 42 | 75 | 15 | 14 | 4 | |
| 38920025 | 25 | 40 | 195 | 157,5 | 72 | 17 | 3,0 | 32 | 48 | 85 | 18 | 14 | 4 | |
| 38920032 | 32 | 40 | 205 | 157,5 | 76 | 17 | 3,0 | 42 | 57 | 100 | 24 | 18 | 4 | |
| 38920040 | 40 | 40 | 225 | 240 | 126 | 37,5 | 3,0 | 48 | 60 | 110 | 30 | 18 | 4 | |
| 38920050 | 50 | 40 | 250 | 240 | 134,5 | 38 | 3,5 | 57 | 76 | 125 | 40 | 18 | 4 | |
| 38920065 | 65 | 16 | 275 | 240 | 142 | 39 | 3,5 | 76 | 89 | 145 | 48 | 18 | 4 | |
| 38920080 | 80 | 16 | 280 | 276 | 172,5 | 57 | 4,0 | 89 | 114 | 160 | 63 | 18 | 4 | |
| 38920100 | 100 | 16 | 300 | 276 | 182 | 57 | 5,0 | 108 | 133 | 180 | 75 | 18 | 8 |
FULL BORE BALL VALVE 390 FEMALE THREADS CONNECTION
Characteristics
Мах. temperature (Т) °С.: +200 °С
Мin. temperature (Т) °С.: -60 °С
Valve tightness rate: Class "A"
Service life: At least 40 years.
Warranty period: 3 years or 10 000 cycles.
Working medium
Natural gas, liquefied petroleum gas, gaseous media, non aggressive towards
valve materials.
Modifications
| PRODUCT NUMBER | DN | PN | L | L1 | H | H1 | D | R | D2 | Вес | |
|---|---|---|---|---|---|---|---|---|---|---|---|
| 39020015 | 15 | 40 | 100 | 157,5 | 69 | 17,5 | 42 | 1/2 | 15 | 0,80 | |
| 39020020 | 20 | 40 | 100 | 157,5 | 72 | 17 | 48 | 3/4 | 18 | 1,00 | |
| 39020025 | 25 | 40 | 100 | 157,5 | 76 | 17 | 57 | 1 | 24 | 1,22 | |
| 39020032 | 32 | 40 | 120 | 240 | 126 | 37,5 | 60 | 1 1/4 | 30 | 1,40 | |
| 39020040 | 40 | 40 | 145 | 240 | 134,5 | 38 | 76 | 1 1/2 | 40 | 3,55 | |
| 39020050 | 50 | 40 | 190 | 240 | 142 | 39 | 89 | 2 | 48 | 5,05 | |
| 39020065 | 65 | 25 | 200 | 276 | 172,5 | 57 | 114 | 2 1/2 | 63 | 6,14 | |
| 39020080 | 80 | 25 | 240 | 276 | 182 | 57 | 133 | 3 | 75 | 11,4 |
FULL BORE BALL VALVE 392 WELDED CONNECTION
Characteristics
Мах. temperature (Т) °С.: +200 °С
Мin. temperature (Т) °С.: -60 °С
Valve tightness rate: Class "A"
Service life: At least 40 years.
Warranty period: 3 years or 10 000 cycles.
Working medium
Natural gas, liquefied petroleum gas, gaseous media, non aggressive towards
valve materials.
Modifications
| PRODUCT NUMBER | DN | PN | L | L1 | H | H1 | D | D1 | D2 | S | Вес | |
|---|---|---|---|---|---|---|---|---|---|---|---|---|
| 39220010 | 10 | 40 | 210 | 157,5 | 67 | 15,5 | 42 | 17 | 10 | 3 | 0,80 | |
| 39220015 | 15 | 40 | 210 | 157,5 | 69 | 15,5 | 42 | 22 | 15 | 3 | 0,85 | |
| 39220020 | 20 | 40 | 230 | 157,5 | 72 | 17,5 | 48 | 27 | 18 | 3 | 1,10 | |
| 39220025 | 25 | 40 | 230 | 157,5 | 76 | 17 | 57 | 32 | 24 | 3 | 1,35 | |
| 39220032 | 32 | 40 | 260 | 157,5 | 126 | 17 | 60 | 42 | 30 | 3 | 2,00 | |
| 39220040 | 40 | 40 | 260 | 240 | 134,5 | 37,5 | 76 | 48 | 40 | 3,5 | 3,00 | |
| 39220050 | 50 | 25 | 300 | 240 | 142 | 38 | 89 | 57 | 48 | 3,5 | 3,35 | |
| 39220065 | 65 | 25 | 360 | 276 | 172,5 | 39 | 114 | 76 | 63 | 4 | 5,45 | |
| 39220080 | 80 | 25 | 370 | 276 | 182 | 57 | 133 | 89 | 75 | 4 | 7,30 |
FULL BORE BALL VALVE 392 (equipped with ISO flange for actuator) WELDED CONNECTION
Characteristics
Мах. temperature (Т) °С.: +200 °С
Мin. temperature (Т) °С.: -60 °С
Valve tightness rate: Class "A"
Service life: At least 40 years.
Warranty period: 3 years or 10 000 cycles.
Working medium
Natural gas, liquefied petroleum gas, gaseous media, non aggressive towards
valve materials.
Modifications
| PRODUCT NUMBER | DN | PN | L | L1 | H | H1 | D | D1 | D2 | S | Вес | |
|---|---|---|---|---|---|---|---|---|---|---|---|---|
| 39220100 | 100 | 25 | 330 | 525 | 187 | 50 | 180 | 108 | 100 | 5 | 14,30 | |
| 39220125 | 125 | 25 | 360 | 525 | 203 | 47 | 219 | 133 | 125 | 5 | 18,75 | |
| 39220150 | 150 | 25 | 390 | 525 | 228 | 45 | 273 | 159 | 148 | 6 | 25,00 | |
| 39220200 | 200 | 25 | 510 | 1030 | 273 | 51 | 351 | 219 | 200 | 8 | 58,25 | |
| 39220250 | 250 | 16/25 | 730 | - | 414 | 101 | 426 | 273 | 240 | 10 | 123,00 | |
| 39220300 | 300 | 16/25 | 730 | - | 464 | 101 | 530 | 325 | 300 | 10 | 235,00 | |
| 39220400 | 400 | 16/25 | 970 | - | 560 | 103 | 630 | 426 | 390 | 10 | 454,00 |
FULL BORE BALL VALVE 393 FLANGED CONNECTION
Characteristics
Мах. temperature (Т) °С.: +200 °С
Мin. temperature (Т) °С.: -60 °С
Valve tightness rate: Class "A"
Service life: At least 40 years.
Warranty period: 3 years or 10 000 cycles.
Working medium
Natural gas, liquefied petroleum gas, gaseous media, non aggressive towards
valve materials.
Modifications
| PRODUCT NUMBER | DN | PN | L | L1 | H | H1 | D | D1 | D2 | D3 | N OF HOLES | Вес | |
|---|---|---|---|---|---|---|---|---|---|---|---|---|---|
| 39320015 | 15 | 40 | 130 | 157,5 | 69 | 17,5 | 42 | 65 | 15 | 14 | 4 | 1,80 | |
| 39320020 | 20 | 40 | 150 | 157,5 | 72 | 17 | 48 | 75 | 18 | 14 | 4 | 2,45 | |
| 39320025 | 25 | 40 | 160 | 157,5 | 76 | 17 | 57 | 85 | 24 | 14 | 4 | 3,00 | |
| 39320032 | 32 | 40 | 180 | 240 | 126 | 37,5 | 60 | 100 | 30 | 18 | 4 | 4,85 | |
| 39320040 | 40 | 40 | 200 | 240 | 134,5 | 38 | 76 | 110 | 40 | 18 | 4 | 5,15 | |
| 39320050 | 50 | 40 | 250 | 240 | 142 | 39 | 89 | 125 | 48 | 18 | 4 | 6,9 | |
| 39320065 | 65 | 16 | 270 | 276 | 172,5 | 57 | 114 | 145 | 63 | 18 | 4 | 9,85 | |
| 39320080 | 80 | 16 | 290 | 276 | 182 | 57 | 133 | 160 | 75 | 18 | 4 | 12,55 |
FULL BORE BALL VALVE 393(equipped with ISO flange for actuator) FLANGED CONNECTION
Characteristics
Мах. temperature (Т) °С.: +200 °С
Мin. temperature (Т) °С.: -60 °С
Valve tightness rate: Class "A"
Service life: At least 40 years.
Warranty period: 3 years or 10 000 cycles.
Working medium
Natural gas, liquefied petroleum gas, gaseous media, non aggressive towards
valve materials.
Modifications
| PRODUCT NUMBER | DN | PN | L | L1 | H | H1 | D | D1 | D2 | D3 | N OF HOLES | Вес | |
|---|---|---|---|---|---|---|---|---|---|---|---|---|---|
| 39320100 | 100 | 16 | 350 | 525 | 187 | 50 | 180 | 180 | 100 | 18 | 8 | 21,70 | |
| 39320125 | 125 | 16 | 380 | 525 | 203 | 48 | 219 | 210 | 125 | 18 | 8 | 33,68 | |
| 39320150 | 150 | 16 | 410 | 525 | 228 | 45 | 273 | 240 | 148 | 22 | 8 | 39,75 | |
| 39320200 | 200 | 16 | 530 | 1030 | 273 | 51 | 351 | 395 | 200 | 22 | 12 | 76,75 | |
| 39320250 | 250 | 16 | 750 | - | 414 | 101 | 426 | 355 | 240 | 26 | 12 | 145,00 | |
| 39320300 | 300 | 16 | 750 | - | 464 | 100 | 530 | 410 | 300 | 26 | 12 | 270,00 | |
| 39320400 | 400 | 16 | 990 | - | 560 | 103 | 630 | 525 | 390 | 30 | 16 | 615,00 |
FULL BORE BALL VALVE 394 FLANGED CONNECTION PN25
Characteristics
Мах. temperature (Т) °С.: +200 °С
Мin. temperature (Т) °С.: -60 °С
Valve tightness rate: Class "A"
Service life: At least 40 years.
Warranty period: 3 years or 10 000 cycles.
Working medium
Natural gas, liquefied petroleum gas, gaseous media, non aggressive towards
valve materials.
Modifications
| PRODUCT NUMBER | DN | PN | L | L1 | H | H1 | D | D1 | D2 | D3 | N OF HOLES | Вес | |
|---|---|---|---|---|---|---|---|---|---|---|---|---|---|
| 39420065 | 65 | 25 | 270 | 276 | 172,5 | 57 | 114 | 145 | 63 | 18 | 8 | 10,95 | |
| 39420080 | 80 | 25 | 290 | 276 | 182 | 57 | 133 | 160 | 75 | 18 | 8 | 17,70 | |
| 39420100 | 100 | 25 | 350 | 525 | 187 | 50 | 180 | 190 | 100 | 22 | 8 | 24,84 | |
| 39420125 | 125 | 25 | 380 | 525 | 203 | 48 | 219 | 220 | 125 | 26 | 8 | 44,60 | |
| 39420150 | 150 | 25 | 410 | 525 | 228 | 45 | 273 | 250 | 148 | 26 | 8 | 61,04 | |
| 39420200 | 200 | 25 | 530 | 1030 | 273 | 51 | 351 | 310 | 200 | 26 | 12 | 92,54 | |
| 39420250 | 250 | 25 | 750 | - | 414 | 101 | 426 | 370 | 240 | 30 | 12 | 147,00 | |
| 39420300 | 300** | 25 | 750 | - | 464 | 100 | 530 | 430 | 300 | 30 | 16 | 272,00 | |
| 39420400 | 400** | 25 | 990 | - | 560 | 103 | 630 | 550 | 390 | 33 | 16 | 617,00 |
FULL BORE BALL VALVE 394(equipped with ISO flange for actuator) FLANGED CONNECTION PN25
Characteristics
Мах. temperature (Т) °С.: +200 °С
Мin. temperature (Т) °С.: -60 °С
Valve tightness rate: Class "A"
Service life: At least 40 years.
Warranty period: 3 years or 10 000 cycles.
Working medium
Natural gas, liquefied petroleum gas, gaseous media, non aggressive towards
valve materials.
Modifications
| PRODUCT NUMBER | DN | PN | L | L1 | H | H1 | D | D1 | D2 | D3 | N OF HOLES | Вес | |
|---|---|---|---|---|---|---|---|---|---|---|---|---|---|
| 39420065 | 65 | 25 | 270 | 276 | 172,5 | 57 | 114 | 145 | 63 | 18 | 8 | 10,95 | |
| 39420080 | 80 | 25 | 290 | 276 | 182 | 57 | 133 | 160 | 75 | 18 | 8 | 17,70 | |
| 39420100 | 100 | 25 | 350 | 525 | 187 | 50 | 180 | 190 | 100 | 22 | 8 | 24,84 | |
| 39420125 | 125 | 25 | 380 | 525 | 203 | 48 | 219 | 220 | 125 | 26 | 8 | 44,60 | |
| 39420150 | 150 | 25 | 410 | 525 | 228 | 45 | 273 | 250 | 148 | 26 | 8 | 61,04 | |
| 39420200 | 200 | 25 | 530 | 1030 | 273 | 51 | 351 | 310 | 200 | 26 | 12 | 92,54 | |
| 39420250 | 250 | 25 | 750 | - | 414 | 101 | 426 | 370 | 240 | 30 | 12 | 147,00 | |
| 39420300 | 300 | 25 | 750 | - | 464 | 100 | 530 | 430 | 300 | 30 | 16 | 272,00 | |
| 39420400 | 400 | 25 | 990 | - | 560 | 103 | 630 | 550 | 390 | 33 | 16 | 617,00 |
BALL VALVE FULL BORE COMPACT
Characteristics
Мах. temperature (Т) °С.: up to +80 °С
Мin. temperature (Т) °С.: from -40 °С to -60 °С
Valve tightness rate: Class "A" GOST-RU 9544-2015
Bore size: Full bore
Warranty period: 3 years
Service life: At least 40 years*
Connection: Flanged
Natural gas, liquefied hydrocarbon gas, and other gaseous media that are not aggressive to the materials of the valve components.
Modifications
| PRODUCT NUMBER | DN | PN | L | L1 | H | H1 | D | D1 | D2 | D3 | n отв. | Вес,кг. | |
|---|---|---|---|---|---|---|---|---|---|---|---|---|---|
| 39320050 КОМПАКТ | 50 | 40 | 86 | 245 | 140 | 39 | 89 | 125 | 48 | 18 | 4 | 5,45 | |
| 39320080 КОМПАКТ | 80 | 16 | 121 | 282 | 185 | 56 | 133 | 160 | 75 | 18 | 4 | 9,30 |
АНТИВАНДАЛЬНАЯ СИСТЕМА
Characteristics
Connection: муфтовое; приварное; фланцевое; комбинированное
Bore size: стандартный/полный
Body materials: Ст.20; 09Г2С; 12Х18Н10Т
Modifications
| PRODUCT NUMBER | DN | PN | |
|---|---|---|---|
| АНТИВАНДАЛЬНАЯ СИСТЕМА | от 15 до 100 | 16; 25; 40 |
Кран шаровой стандартнопроходной специальная серия MAX резьбовой
Characteristics
Мах. temperature (Т) °С.: до +200 °С
Мin. temperature (Т) °С.: до -60 °С (исп. ХЛ)
Valve tightness rate: Класс «А» ГОСТ 9544-2015
Service life: 40 лет*
Warranty period: 10 лет
Body materials: Сталь 20/09Г2С/12Х18Н10Т
Bore size: Стандартнопроходной
Connection: резьбовое/резьбовое
Modifications
| PRODUCT NUMBER | DN | PN | L | L1 | H | H1 | D | G | D2 | Вес, кг | |
|---|---|---|---|---|---|---|---|---|---|---|---|
| 98020015 MAX | 15 | 40 | 100 | 143,8 | 138,8 | 45,8 | 42 | 1/2 | 10 | 0,73 | |
| 98020020 MAX | 20 | 40 | 100 | 143,8 | 142,1 | 49,1 | 42 | 3/4 | 15 | 0,70 | |
| 98020025 MAX | 25 | 40 | 100 | 143,8 | 144,7 | 48,7 | 48 | 1 | 18 | 0,92 | |
| 98020032 MAX | 32 | 40 | 100 | 143,8 | 149,3 | 48,8 | 57 | 1 1/4 | 24 | 1,17 | |
| 98020040 MAX | 40 | 40 | 120 | 243 | 145 | 47,6 | 60 | 1 1/2 | 30 | 1,60 | |
| 98020050 MAX | 50 | 40 | 145 | 243 | 153,5 | 48,1 | 76 | 2 | 40 | 2,49 | |
| 98020065 MAX | 65 | 25 | 190 | 243 | 159,5 | 47,6 | 89 | 2 1/2 | 48 | 3,95 | |
| 98020080 MAX | 80 | 25 | 200 | 277,6 | 193,8 | 69,4 | 114 | 3 | 63 | 5,76 | |
| 98020100 MAX | 100 | 25 | 240 | 277,6 | 203,5 | 69,6 | 133 | 4 | 75 | 10,78 |
Кран шаровой газовый полнопроходной специальная серия MAX резьбовой
Characteristics
Мах. temperature (Т) °С.: до +200 °С
Мin. temperature (Т) °С.: до -60 °С (исп. ХЛ)
Valve tightness rate: Класс «А» ГОСТ 9544-2015
Service life: 40 лет*
Warranty period: 10 лет
Body materials: Сталь 20/09Г2С/12Х18Н10Т
Bore size: Полнопроходной
Connection: резьбовое/резьбовое
Modifications
| PRODUCT NUMBER | DN | PN | L | L1 | H | H1 | D | G | D2 | Вес, кг | |
|---|---|---|---|---|---|---|---|---|---|---|---|
| 99020015 MAX | 15 | 40 | 100 | 143,8 | 142,1 | 49,1 | 42 | 1/2 | 15 | 0,75 | |
| 99020020 MAX | 20 | 40 | 100 | 143,8 | 144,7 | 48,7 | 48 | 3/4 | 18 | 1,02 | |
| 99020025 MAX | 25 | 40 | 100 | 143,8 | 149,3 | 48,8 | 57 | 1 | 24 | 1,28 | |
| 99020032 MAX | 32 | 40 | 120 | 243 | 145 | 47,6 | 60 | 1 1/4 | 30 | 1,73 | |
| 99020040 MAX | 40 | 40 | 145 | 243 | 153,5 | 48,1 | 76 | 1 1/2 | 40 | 2,97 | |
| 99020050 MAX | 50 | 40 | 190 | 243 | 159,5 | 47,6 | 89 | 2 | 48 | 4,73 | |
| 99020065 MAX | 65 | 25 | 200 | 277,6 | 193,8 | 69,4 | 114 | 2 1/2 | 63 | 6,58 | |
| 99020080 MAX | 80 | 25 | 240 | 277,6 | 203,5 | 69,6 | 133 | 3 | 75 | 12,79 | |
| 99020100 MAX | 100 | 25 | 240 | 526 | 179,3 | 61,3 | 180 | 4 | 100 | 13,59 |
Кран шаровой газовый стандартнопроходной специальная серия MAX приварной
Characteristics
Мах. temperature (Т) °С.: до +200 °С
Мin. temperature (Т) °С.: до -60 °С (исп. ХЛ)
Valve tightness rate: Класс «А» ГОСТ 9544-2015
Service life: 40 лет*
Warranty period: 10 лет
Body materials: Сталь 20/09Г2С/12Х18Н10Т
Bore size: Стандартнопроходной
Connection: приварное/приварное
Modifications
| PRODUCT NUMBER | DN | PN | L | L1 | H | H1 | D | D1 | D2 | S | Вес, кг | |
|---|---|---|---|---|---|---|---|---|---|---|---|---|
| 98220015 MAX | 15 | 40 | 200 | 143,8 | 138,8 | 45,8 | 42 | 22 | 10 | 3 | 0,66 | |
| 98220020 MAX | 20 | 40 | 200 | 143,8 | 142,1 | 49,1 | 42 | 27 | 15 | 3 | 0,76 | |
| 98220025 MAX | 25 | 40 | 230 | 143,8 | 144,7 | 48,7 | 48 | 32 | 18 | 3,5 | 1,05 | |
| 98220032 MAX | 32 | 40 | 230 | 143,8 | 149,3 | 48,8 | 57 | 42 | 24 | 3 | 0,63 | |
| 98220040 MAX | 40 | 40 | 250 | 243 | 145 | 47,6 | 60 | 48 | 30 | 4 | 2,19 | |
| 98220050 MAX | 50 | 40 | 270 | 243 | 153,5 | 48,1 | 76 | 57 | 40 | 3 | 2,48 | |
| 98220065 MAX | 65 | 25 | 280 | 243 | 159 | 47,6 | 89 | 76 | 48 | 3,5 | 4,46 | |
| 98220080 MAX | 80 | 25 | 280 | 277,6 | 194 | 69,4 | 114 | 89 | 63 | 4 | 5,15 | |
| 98220100 MAX | 100 | 25 | 300 | 277,6 | 203 | 69,6 | 133 | 108 | 75 | 5 | 7,15 | |
| 98220125 MAX | 125 | 25 | 330 | 526 | 179,3 | 61,3 | 180 | 133 | 100 | 5 | 13,29 | |
| 98220150 MAX iso | 150 | 25 | 360 | 526 | 195,8 | 58,3 | 219 | 159 | 125 | 6 | 17,84 | |
| 98220200 MAX iso | 200 | 25 | 430 | 526 | 216 | 51,5 | 273 | 219 | 148 | 8 | 30,6 | |
| 98220250 MAX iso | 250 | 25 | 510 | 1019,5 | 275,6 | 51,8 | 351 | 273 | 200 | 8 | 64,67 | |
| 98220300 MAX iso | 300** | 16/25 | 730 | - | 431,5 | 103,5 | 426 | 325 | 240 | 10 | 135,17 | |
| 98220350 MAX iso | 350** | 16/25 | 730 | - | 512 | 101 | 530 | 377 | 300 | 10 | 231,8 | |
| 98220400 MAX iso | 400** | 16/25 | 860 | - | 512 | 101 | 530 | 426 | 300 | 10 | 282,00 | |
| 98220500 MAX iso | 500** | 16/25 | 970 | - | 635 | 105 | 630 | 530 | 390 | 10 | 479,9 | |
| 98220600 MAX iso | 600** | 16/25 | 1143 | - | 695 | 104 | 820 | 630 | 500 | 10 | 878,2 |
Кран шаровой газовый полнопроходной специальная серия MAX приварной
Characteristics
Мах. temperature (Т) °С.: до +200 °С
Мin. temperature (Т) °С.: до -60 °С (исп. ХЛ)
Valve tightness rate: Класс «А» ГОСТ 9544-2015
Service life: 40 лет*
Warranty period: 10 лет
Body materials: Сталь 20/09Г2С/12Х18Н10Т
Bore size: Полнопроходной
Connection: приварное/приварное
Modifications
| PRODUCT NUMBER | DN | PN | L | L1 | H | H1 | D | D1 | D2 | S | Вес, кг | |
|---|---|---|---|---|---|---|---|---|---|---|---|---|
| 99220010 MAX | 10 | 40 | 210 | 143,8 | 138,8 | 45,8 | 42 | 17 | 10 | 3 | 0,68 | |
| 99220015 MAX | 15 | 40 | 210 | 143,8 | 142,1 | 49,1 | 42 | 22 | 15 | 3 | 0,76 | |
| 99220020 MAX | 20 | 40 | 230 | 143,8 | 144,7 | 48,7 | 48 | 27 | 18 | 3,5 | 1,03 | |
| 99220025 MAX | 25 | 40 | 230 | 143,8 | 149,3 | 48,8 | 57 | 32 | 24 | 3 | 1,21 | |
| 99220032 MAX | 32 | 40 | 260 | 243 | 145 | 47,6 | 60 | 42 | 30 | 4 | 2,19 | |
| 99220040 MAX | 40 | 40 | 260 | 243 | 153,5 | 48,1 | 76 | 48 | 40 | 3,5 | 2,55 | |
| 99220050 MAX | 50 | 40 | 300 | 243 | 159 | 47,6 | 89 | 57 | 48 | 4 | 3,57 | |
| 99220065 MAX | 65 | 25 | 360 | 277,6 | 194 | 69,4 | 114 | 76 | 63 | 4 | 5,73 | |
| 99220080 MAX | 80 | 25 | 370 | 277,6 | 203 | 69,6 | 133 | 89 | 75 | 5 | 7,77 | |
| 99220100 MAX | 100 | 25 | 330 | 526 | 179,3 | 61,3 | 180 | 108 | 100 | 5 | 13,15 | |
| 99220125 MAX iso | 125 | 25 | 360 | 526 | 195,8 | 58,3 | 219 | 133 | 133 | 6 | 17,83 | |
| 99220150 MAX iso | 150 | 25 | 390 | 526 | 216 | 51,5 | 273 | 159 | 148 | 6 | 23,46 | |
| 99220200 MAX iso | 200 | 25 | 510 | 1019,5 | 275,6 | 51,8 | 351 | 219 | 200 | 8 | 60,84 | |
| 99220250 MAX iso | 250** | 25 | 730 | - | 431,5 | 103,5 | 426 | 273 | 240 | 10 | 126,92 | |
| 99220300 MAX iso | 300** | 16/25 | 730 | - | 512 | 101 | 530 | 325 | 300 | 10 | 243,4 | |
| 99220350 MAX iso | 350** | 16/25 | 970 | - | 512 | 101 | 630 | 377 | 390 | 10 | 376,00 | |
| 99220400 MAX iso | 400** | 16/25 | 970 | - | 635 | 105 | 630 | 426 | 390 | 10 | 454,00 | |
| 99220500 MAX iso | 500** | 16/25 | 991 | - | 695 | 104 | 820 | 530 | 500 | 10 | 827,50 |
Кран шаровой газовый стандартнопроходной специальная серия MAX фланцевый
Characteristics
Мах. temperature (Т) °С.: до +200 °С
Мin. temperature (Т) °С.: до -60 °С (исп. ХЛ)
Valve tightness rate: Класс «А» ГОСТ 9544-2015
Service life: 40 лет*
Warranty period: 10 лет
Body materials: Сталь 20/09Г2С/12Х18Н10Т
Bore size: Стандартнопроходной
Connection: фланцевое/фланцевое
Modifications
| PRODUCT NUMBER | DN | PN | L | L1 | H | H1 | D | D2 | D3 | D4 | n отверстий | Вес, кг | |
|---|---|---|---|---|---|---|---|---|---|---|---|---|---|
| 98320015 MAX | 15 | 40 | 120 | 143,8 | 138,8 | 45,8 | 42 | 10 | 65 | 14 | 4 | 1,88 | |
| 98320020 MAX | 20 | 40 | 120 | 143,8 | 142,1 | 49,1 | 42 | 15 | 75 | 14 | 4 | 2,22 | |
| 98320025 MAX | 25 | 40 | 140 | 143,8 | 144,7 | 48,7 | 48 | 18 | 85 | 14 | 4 | 2,62 | |
| 98320032 MAX | 32 | 40 | 140 | 143,8 | 149,3 | 48,8 | 57 | 24 | 100 | 18 | 4 | 3,66 | |
| 98320040 MAX | 40 | 40 | 165 | 243 | 145 | 47,6 | 60 | 24 | 110 | 18 | 4 | 4,66 | |
| 98320050 MAX | 50 | 40 | 180 | 243 | 153,5 | 48,1 | 76 | 40 | 125 | 18 | 4 | 5,99 | |
| 98320065 MAX | 65 | 16 | 200 | 243 | 159,5 | 47,6 | 89 | 48 | 145 | 18 | 4 | 8,19 | |
| 98320080 MAX | 80 | 16 | 210 | 277,6 | 193,8 | 69,4 | 114 | 63 | 160 | 18 | 4 | 10,65 | |
| 98320100 MAX | 100 | 16 | 230 | 277,6 | 203,5 | 69,6 | 133 | 75 | 180 | 18 | 8 | 13,76 | |
| 98320125 MAX | 125 | 16 | 350 | 526 | 179,3 | 61,3 | 180 | 100 | 210 | 18 | 8 | 23,93 | |
| 98320150 MAX iso | 150 | 16 | 380 | 526 | 195,8 | 58,3 | 219 | 125 | 240 | 22 | 8 | 30,3 | |
| 98320200 MAX iso | 200 | 16 | 450 | 526 | 216 | 51,5 | 273 | 148 | 295 | 22 | 12 | 50,7 | |
| 98320250 MAX iso | 250 | 16 | 530 | 1019,5 | 275,6 | 51,8 | 351 | 200 | 355 | 26 | 12 | 90,15 | |
| 98320300 MAX iso | 300** | 16 | 750 | - | 431,5 | 103,5 | 426 | 240 | 410 | 26 | 12 | 170,51 | |
| 98320350 MAX iso | 350** | 16 | 750 | - | 512 | 101 | 530 | 300 | 470 | 26 | 16 | 276,87 | |
| 98320400 MAX iso | 400** | 16 | 880 | - | 512 | 101 | 530 | 300 | 525 | 30 | 16 | 351,87 | |
| 98320500 MAX iso | 500** | 16 | 990 | - | 635 | 105 | 630 | 390 | 650 | 33 | 20 | 615,00 | |
| 98320600 MAX iso | 600** | 16 | 1173 | - | 695 | 104 | 820 | 500 | 770 | 39 | 20 | 1037,39 |
Кран шаровой газовый полнопроходной специальная серия MAX фланцевый
Characteristics
Мах. temperature (Т) °С.: до +200 °С
Мin. temperature (Т) °С.: до -60 °С (исп. ХЛ)
Valve tightness rate: Класс «А» ГОСТ 9544-2015
Service life: 40 лет*
Warranty period: 10 лет
Body materials: Сталь 20/09Г2С/12Х18Н10Т
Bore size: Полнопроходной
Connection: фланцевое/фланцевое
Modifications
| PRODUCT NUMBER | DN | PN | L | L1 | H | H1 | D | D2 | D3 | D4 | n отверстий | Вес, кг | |
|---|---|---|---|---|---|---|---|---|---|---|---|---|---|
| 99320015 MAX | 15 | 40 | 130 | 143,8 | 142,1 | 49,1 | 42 | 15 | 65 | 14 | 4 | 2,25 | |
| 99320020 MAX | 20 | 40 | 150 | 143,8 | 144,7 | 48,7 | 48 | 18 | 75 | 14 | 4 | 2,65 | |
| 99320025 MAX | 25 | 40 | 160 | 143,8 | 149,3 | 48,8 | 57 | 24 | 85 | 14 | 4 | 2,87 | |
| 99320032 MAX | 32 | 40 | 180 | 243 | 145 | 47,6 | 60 | 30 | 100 | 18 | 4 | 4,28 | |
| 99320040 MAX | 40 | 40 | 200 | 243 | 153,5 | 48,1 | 76 | 40 | 110 | 18 | 4 | 5,6 | |
| 99320050 MAX | 50 | 40 | 250 | 243 | 159,5 | 47,6 | 89 | 48 | 125 | 18 | 4 | 7,1 | |
| 99320065 MAX | 65 | 16 | 270 | 277,6 | 193,8 | 69,4 | 114 | 63 | 145 | 18 | 4 | 10,26 | |
| 99320080 MAX | 80 | 16 | 290 | 277,6 | 203,5 | 69,6 | 133 | 75 | 160 | 18 | 4 | 12,94 | |
| 99320100 MAX | 100 | 16 | 350 | 526 | 179,3 | 61,3 | 180 | 100 | 180 | 18 | 8 | 20,94 | |
| 29320125 MAX iso | 125 | 16 | 380 | 526 | 195,8 | 58,3 | 219 | 125 | 210 | 18 | 8 | 28,47 | |
| 99320150 MAX iso | 150 | 16 | 410 | 526 | 216 | 51,5 | 273 | 148 | 240 | 22 | 8 | 35,97 | |
| 99320200 MAX iso | 200 | 16 | 530 | 1019,5 | 275,6 | 51,8 | 351 | 200 | 295 | 22 | 12 | 76,75 | |
| 99320250 MAX iso | 250** | 16 | 750 | - | 431,5 | 103,5 | 426 | 240 | 355 | 26 | 12 | 145,00 | |
| 99320300 MAX iso | 300** | 16 | 750 | - | 512 | 101 | 530 | 300 | 410 | 26 | 12 | 270,00 | |
| 99320350 MAX iso | 350** | 16 | 990 | - | 512 | 101 | 630 | 390 | 470 | 26 | 16 | 422,00 | |
| 99320400 MAX iso | 400** | 16 | 990 | - | 635 | 105 | 630 | 390 | 525 | 30 | 16 | 615,00 | |
| 99320500 MAX iso | 500** | 16 | 1017 | - | 695 | 104 | 820 | 500 | 650 | 33 | 20 | 940,50 |