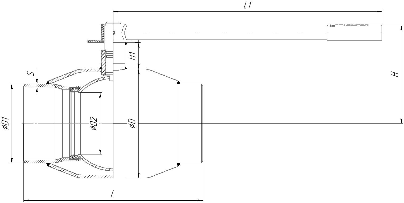
STANDARD BORE BALL VALVE 380 FEMALE THREADS CONNECTION
Characteristics
Мах. temperature (Т) °С.: +200 °С
Мin. temperature (Т) °С.: -60 °С
Valve tightness rate: Class "A"
Service life: At least 40 years.
Warranty period: 3 years or 10 000 cycles.
FEMALE THREADS CONNECTION
Working medium:
Natural gas, liquefied petroleum gas, gaseous media, non aggressive towards
valve materials.
Modifications
| PRODUCT NUMBER | DN | PN | L | L1 | H | H1 | D | R | D2 | Вес | |
|---|---|---|---|---|---|---|---|---|---|---|---|
| 38020015 | 15 | 40 | 100 | 157,5 | 67 | 15,5 | 42 | 1/2 | 10 | 0,72 | |
| 38020020 | 20 | 40 | 100 | 157,5 | 69 | 17,5 | 42 | 3/4 | 15 | 0,72 | |
| 38020025 | 25 | 40 | 100 | 157,5 | 72 | 17 | 48 | 1 | 18 | 0,91 | |
| 38020032 | 32 | 40 | 85 | 157,5 | 76 | 17 | 57 | 1 1/4 | 24 | 1,00 | |
| 38020040 | 40 | 40 | 120 | 240 | 126 | 37,5 | 60 | 1 1/2 | 30 | 2,00 | |
| 38020050 | 50 | 40 | 145 | 240 | 134,5 | 38 | 76 | 72 | 40 | 2/95 | |
| 38020065 | 65 | 25 | 190 | 240 | 142 | 39 | 89 | 2 1/2 | 48 | 3,76 | |
| 38020080 | 80 | 25 | 200 | 276 | 172,5 | 57 | 114 | 3 | 63 | 6,14 | |
| 38020100 | 100 | 25 | 240 | 276 | 182 | 57 | 133 | 4 | 75 | 11,4 |
STANDARD BORE BALL VALVE 382 WELDED CONNECTION
Characteristics
Мах. temperature (Т) °С.: +200 °С
Мin. temperature (Т) °С.: -60 °С
Valve tightness rate: Class "A"
Service life: At least 40 years.
Warranty period: 3 years or 10 000 cycles.
Working medium:
Natural gas, liquefied petroleum gas, gaseous media, non aggressive towards
valve materials.
Modifications
| PRODUCT NUMBER | DN | PN | L | L1 | H | H1 | D | D1 | D2 | S | Вес | |
|---|---|---|---|---|---|---|---|---|---|---|---|---|
| 38220015 | 15 | 40 | 200 | 157,5 | 67 | 15,5 | 42 | 22 | 10 | 3 | 0,70 | |
| 38220020 | 20 | 40 | 200 | 157,5 | 69 | 17,5 | 42 | 27 | 15 | 3 | 0,80 | |
| 38220025 | 25 | 40 | 230 | 157,5 | 72 | 17 | 57 | 42 | 24 | 3 | 1,35 | |
| 38220032 | 32 | 40 | 230 | 157,5 | 76 | 17 | 57 | 42 | 24 | 3 | 1,35 | |
| 38220040 | 40 | 40 | 250 | 240 | 126 | 37,5 | 60 | 48 | 30 | 3 | 1,9 | |
| 38220050 | 50 | 40 | 270 | 240 | 134,5 | 38 | 76 | 57 | 40 | 3,5 | 2,50 | |
| 38220065 | 65 | 25 | 280 | 240 | 142 | 39 | 89 | 76 | 48 | 3,5 | 3,50 | |
| 38220080 | 80 | 25 | 280 | 276 | 172,5 | 57 | 114 | 89 | 63 | 4 | 5,00 | |
| 38220100 | 100 | 25 | 300 | 276 | 182 | 57 | 133 | 108 | 75 | 5 | 6,8 |
STANDARD BORE BALL VALVE 382 (equipped with ISO flange for actuator) WELDED CONNECTION
Characteristics
Мах. temperature (Т) °С.: +200 °С
Мin. temperature (Т) °С.: -60 °С
Valve tightness rate: Class "A"
Service life: At least 40 years.
Warranty period: 3 years or 10 000 cycles.
Working medium
Natural gas, liquefied petroleum gas, gaseous media, non aggressive towards
valve materials.
Modifications
| PRODUCT NUMBER | DN | PN | L | L1 | H | H1 | D | D1 | D2 | S | Вес | |
|---|---|---|---|---|---|---|---|---|---|---|---|---|
| 38220125 | 125 | 25 | 330 | 525 | 187 | 50 | 180 | 133 | 100 | 5 | 14,30 | |
| 38220150 | 150 | 25 | 360 | 525 | 203 | 47 | 219 | 156 | 125 | 6 | 19,05 | |
| 38220200 | 200 | 25 | 430 | 525 | 228 | 45 | 273 | 219 | 148 | 8 | 31,75 | |
| 38220250 | 250 | 25 | 510 | 1030 | 273 | 51 | 351 | 273 | 200 | 8 | 60,35 | |
| 38220300 | 300 | 16/25 | 730 | - | 414 | 101 | 426 | 325 | 240 | 10 | 122,65 | |
| 38220350 | 350 | 16/25 | 730 | - | 464 | 100 | 530 | 377 | 300 | 10 | 235,00 | |
| 38220400 | 400 | 16/25 | 860 | - | 464 | 100 | 530 | 426 | 300 | 10 | 285,00 | |
| 38220500 | 500 | 16/25 | 970 | - | 561 | 103 | 630 | 530 | 390 | 10 | 455,00 |
STANDARD BORE BALL VALVE 383 FLANGED CONNECTION
Characteristics
Мах. temperature (Т) °С.: +200 °С
Мin. temperature (Т) °С.: -60 °С
Valve tightness rate: Class "A"
Service life: At least 40 years.
Warranty period: 3 years or 10 000 cycles.
Working medium
Natural gas, liquefied petroleum gas, gaseous media, non aggressive towards
valve materials.
Modifications
| PRODUCT NUMBER | DN | PN | L | L1 | H | H1 | D | D1 | D2 | D3 | N OF HOLES | Вес | |
|---|---|---|---|---|---|---|---|---|---|---|---|---|---|
| 38320015 | 15 | 40 | 130 | 157,5 | 67 | 15,5 | 42 | 42 | 10 | 14 | 4 | 1,80 | |
| 38320020 | 20 | 40 | 150 | 157,5 | 69 | 17,5 | 42 | 75 | 15 | 14 | 4 | 2,35 | |
| 38320025 | 25 | 40 | 160 | 157,5 | 72 | 17 | 48 | 85 | 18 | 14 | 4 | 2,85 | |
| 38320032 | 32 | 40 | 180 | 157,5 | 76 | 17 | 57 | 100 | 24 | 18 | 4 | 3,95 | |
| 38320040 | 40 | 40 | 200 | 240 | 126 | 37,5 | 60 | 110 | 30 | 18 | 4 | 5,10 | |
| 38320050 | 50 | 40 | 230 | 240 | 134,5 | 38 | 76 | 125 | 40 | 18 | 4 | 6,15 | |
| 38320065 | 65 | 16 | 270 | 240 | 142 | 39 | 89 | 145 | 48 | 18 | 4 | 8,40 | |
| 38320080 | 80 | 16 | 280 | 276 | 172,5 | 57 | 114 | 160 | 63 | 18 | 4 | 11,10 | |
| 38320100 | 100 | 16 | 300 | 276 | 182 | 57 | 133 | 180 | 75 | 18 | 8 | 13,90 |
STANDARD BORE BALL VALVE 384 FLANGED CONNECTION* PN25
Characteristics
Мах. temperature (Т) °С.: +200 °С
Мin. temperature (Т) °С.: -60 °С
Valve tightness rate: Class "A"
Service life: At least 40 years.
Warranty period: 3 years or 10 000 cycles.
Working medium
Natural gas, liquefied petroleum gas, gaseous media, non aggressive towards
valve materials.
Modifications
| PRODUCT NUMBER | DN | PN | L | L1 | H | H1 | D | D1 | D2 | D3 | N OF HOLES | Вес | |
|---|---|---|---|---|---|---|---|---|---|---|---|---|---|
| 38420065 | 65 | 25 | 270 | 240 | 142 | 39 | 89 | 145 | 48 | 18 | 8 | 9,10 | |
| 38420080 | 80 | 25 | 280 | 276 | 172,5 | 57 | 114 | 160 | 63 | 18 | 8 | 11,90 | |
| 38420100 | 100 | 25 | 300 | 276 | 182 | 57 | 133 | 190 | 75 | 22 | 8 | 19,40 |