285 choke-nipple
 
        
        
        Characteristics
Мах. temperature (Т) °С.: +200 °С
Мin. temperature (Т) °С.: -60 °С
Valve tightness rate: Class "A"
Service life: At least 25 years.
Warranty period: 3 years or 10 000 cycles.
Body materials: 1.1151 / P235GH / 1,4541
STANDARD BORE BALL VALVE 285 CHOKE-NIPPLE CONNECTION
Working medium
District heating networks, petroleum products, combustible and lubricating materials,
other fluids free from abrasive contaminants.
Natural gas, liquefied petroleum gas, gaseous media, non aggressive towards
valve materials.
 
        Modifications
| PRODUCT NUMBER | DN | PN | L | L1 | H | H1 | D | D1 | D2 | Вес,кг | |
|---|---|---|---|---|---|---|---|---|---|---|---|
| 28520015 | 15 | 40 | 220 | 158,8 | 70 | 15,5 | 42 | 21 | 10 | 1,11 | |
| 28520020 | 20 | 40 | 230 | 158,8 | 72,6 | 18,1 | 42 | 27 | 15 | 1,6 | |
| 28520025 | 25 | 40 | 250 | 158,8 | 74,6 | 17,1 | 48 | 33,5 | 18 | 1,94 | |
| 28520032 | 32 | 40 | 260 | 158,8 | 79 | 17 | 57 | 38 | 24 | 2,49 | 
282 Reduced bore WELDING ends DN15-DN100
 
        
        
        Characteristics
Мах. temperature (Т) °С.: +200 °С.
Мin. temperature (Т) °С.: -60 °С.
Valve tightness rate: Class "A"
Service life: At least 25 years
Warranty period: 3 years or 10 000 cycles
Body materials: 1.1151 / P235GH / 1,4541
ПаспортWorking medium
District heating networks, petroleum products, combustible and lubricating materials, other fluids free from abrasive contaminants. Natural gas, liquefied petroleum gas, gaseous media, non aggressive towards valve materials.
 
        Modifications
| PRODUCT NUMBER | DN | PN | L | L1 | H | H1 | D | D1 | D2 | S | Вес, кг. | |
|---|---|---|---|---|---|---|---|---|---|---|---|---|
| 28220015 | 15 | 40 | 200 | 158,8 | 70 | 15,5 | 42 | 22 | 10 | 2,8 | 0,66 | |
| 28220020 | 20 | 40 | 200 | 158,8 | 72,6 | 18,1 | 42 | 27 | 15 | 2,8 | 0,76 | |
| 28220025 | 25 | 40 | 230 | 158,8 | 74,6 | 17,1 | 48 | 32 | 18 | 3,2 | 1,05 | |
| 28220032 | 32 | 40 | 230 | 158,8 | 79 | 17 | 57 | 42 | 24 | 3,2 | 1,27 | |
| 28220040 | 40 | 40 | 250 | 243 | 129 | 37,5 | 60 | 48 | 30 | 3,5 | 1,95 | |
| 28220050 | 50 | 40 | 270 | 243 | 137,5 | 38 | 76 | 57 | 40 | 3,5 | 2,47 | |
| 28220065 | 65 | 25 | 280 | 243 | 143,5 | 37,5 | 89 | 76 | 48 | 3,5 | 3,32 | |
| 28220080 | 80 | 25 | 280 | 277,6 | 174,5 | 56 | 114 | 89 | 63 | 4 | 4,75 | |
| 28220100 | 100 | 25 | 300 | 277,6 | 184,1 | 56,1 | 133 | 108 | 75 | 5 | 6,75 | |
| 28220125 | 125 | 25 | 330 | 526 | 184,3 | 61,3 | 180 | 133 | 100 | 5 | 13,72 | |
| 28220150 | 150 | 25 | 360 | 526 | 200,8 | 58,3 | 219 | 159 | 125 | 6 | 18,31 | |
| 28220200 | 200 | 25 | 430 | 526 | 221 | 51,5 | 273 | 219 | 148 | 8 | 30,99 | |
| 28220250 | 250 | 25 | 510 | 1019,5 | 275,6 | 61,8 | 351 | 273 | 200 | 8 | 57,72 | |
| 28220300 | 300 | 16/25 | 730 | - | 414 | 101 | 426 | 325 | 240 | 10 | 122,65 | |
| 28220350 | 350 | 16/25 | 730 | - | 464 | 100 | 530 | 377 | 300 | 10 | 235,0 | |
| 28220400 | 400 | 16/25 | 860 | - | 464 | 100 | 530 | 426 | 300 | 10 | 285,0 | |
| 28220500 | 500 | 16/25 | 970 | - | 561 | 103 | 630 | 530 | 390 | 10 | 455,0 | |
| 28220600 | 600 | 16/25 | 1143 | - | 664 | 104 | 820 | 630 | 500 | 10 | 852,5 | |
| 28220700 | 700* | 16/25 | 1150 | - | - | 88 | 970 | 720 | 600 | 13 | 1182 | |
| 28220800 | 800* | 16/25 | 1346 | - | - | 132 | 1120 | 820 | 700 | 13 | 2595 | |
| 282201000 | 1000* | 16/25 | 1524 | - | - | 82 | 1220 | 1020 | 780 | 15 | 2795 | |
| 282201200 | 1200* | 16/25 | 1650 | - | - | 82 | 1420 | 1220 | 1000 | 15 | 3852 | |
| 282201400 | 1400* | 16/25 | 1800 | - | - | 126 | 1620 | 1420 | 1200 | 15 | 4352 | 
Standard bore ball valve 282 welded connection
 
        
        
        Characteristics
Мах. temperature (Т) °С.: +200 °С.
Мin. temperature (Т) °С.: -40°С or -60°С
Valve tightness rate: Class "A"
Service life: At least 25 years
Warranty period: 3 years or 10 000 cycles
Body materials: 1.1151 / P235GH / 1,4541
Working medium
District heating networks, petroleum products, combustible and lubricating materials, other fluids free from abrasive contaminants.
Natural gas, liquefied petroleum gas, gaseous media, non aggressive towards valve materials.
 
        Modifications
| PRODUCT NUMBER | DN | PN | L | L1 | H | H1 | D | D1 | D2 | S | Вес | |
|---|---|---|---|---|---|---|---|---|---|---|---|---|
| 28220125 | 125 | 25 | 330 | 525 | 187 | 50 | 180 | 133 | 100 | 5 | 14,30 | |
| 28220150 | 150 | 25 | 360 | 525 | 203 | 47 | 219 | 159 | 125 | 6 | 19,05 | |
| 28220200 | 200 | 25 | 430 | 525 | 228 | 45 | 273 | 219 | 148 | 8 | 31,75 | |
| 28220250 | 250 | 25 | 510 | 1030 | 273 | 51 | 351 | 273 | 200 | 8 | 60,25 | |
| 28220300 | 300 | 16/25 | 730 | - | 414 | 101 | 426 | 325 | 240 | 10 | 122,65 | |
| 28220350 | 350 | 16/25 | 730 | - | 464 | 100 | 530 | 377 | 300 | 10 | 235,00 | |
| 28220400 | 400 | 16/25 | 860 | - | 464 | 100 | 530 | 426 | 300 | 10 | 285,00 | |
| 28220500 | 500 | 16/25 | 970 | - | 561 | 103 | 630 | 530 | 390 | 10 | 455,00 | |
| 28220700 | 700* | 16/25 | 1150 | - | - | 88 | 970 | 720 | 600 | 13 | 1182 | |
| 28220800 | 800* | 16/25 | 1346 | - | - | 132 | 1120 | 820 | 700 | 13 | 2595 | |
| 282201000 | 1000* | 16/25 | 1524 | - | - | 82 | 1220 | 1020 | 780 | 15 | 2795 | |
| 282201200 | 1200* | 16/25 | 1650 | - | - | 82 | 1420 | 1220 | 1000 | 15 | 3852 | |
| 282201400 | 1400* | 16/25 | 1800 | - | - | 126 | 1620 | 1420 | 1200 | 15 | 4352 | 
STANDARD BORE BALL VALVE 280 FEMALE THREADS CONNECTION
 
        
        
        Characteristics
Мах. temperature (Т) °С.: +200 °С
Мin. temperature (Т) °С.: -60 °С
Valve tightness rate: Class
Service life: At least 25 years*
Warranty period: 3 years or 10 000 cycles
Body materials: 1.1151 / P235GH / 1,4541
District heating networks, petroleum products, combustible and lubricating materials,
other fluids free from abrasive contaminants.
Natural gas, liquefied petroleum gas, gaseous media, non aggressive towards
valve materials
 
        Modifications
| PRODUCT NUMBER | DN | PN | L | L1 | H | H1 | D | R | D2 | Вес | |
|---|---|---|---|---|---|---|---|---|---|---|---|
| 28020015 | 15 | 40 | 100 | 158,8 | 70 | 15,5 | 42 | 1/2 | 10 | 0,73 | |
| 28020020 | 20 | 40 | 100 | 158,8 | 72,6 | 18,1 | 42 | 3/4 | 15 | 0,70 | |
| 28020025 | 25 | 40 | 100 | 158,8 | 74,6 | 17 | 48 | 1 | 18 | 0,92 | |
| 28020032 | 32 | 40 | 100 | 158,8 | 79 | 17 | 57 | 1 1/4 | 24 | 1,17 | |
| 28020040 | 40 | 40 | 120 | 243 | 129 | 37,5 | 60 | 1 1/2 | 30 | 1,6 | |
| 28020050 | 50 | 40 | 145 | 243 | 137,5 | 38 | 76 | 2 | 40 | 2,49 | |
| 28020065 | 65 | 25 | 190 | 243 | 143,5 | 37,5 | 89 | 2 1/2 | 48 | 3,95 | |
| 28020080 | 80 | 25 | 200 | 277,6 | 174,5 | 56 | 114 | 3 | 63 | 5,76 | |
| 28020100 | 100 | 25 | 240 | 277,6 | 184,1 | 56,1 | 133 | 4 | 75 | 10,79 | 
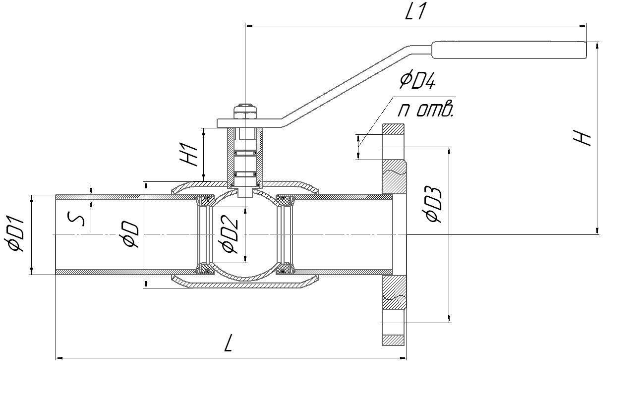
283 Flanged DN15-100
 
        
        
        Characteristics
Мах. temperature (Т) °С.: + 200 °С
Мin. temperature (Т) °С.: -60 °С
Valve tightness rate: Class "A"
Service life: At least 25 years
Warranty period: 3 years or 10 000 cycles
Body materials: 1.1151 / P235GH / 1,4541
STANDARD BORE BALL VALVE 283 FLANGED CONNECTION
Working medium
District heating networks, petroleum products, combustible and lubricating materials,
other fluids free from abrasive contaminants.
Natural gas, liquefied petroleum gas, gaseous media, non aggressive towards
valve materials.
 
        Modifications
| PRODUCT NUMBER | DN | PN | L | L1 | H | H1 | D | D2 | D3 | D4 | n отв. | Вес, кг | |
|---|---|---|---|---|---|---|---|---|---|---|---|---|---|
| 28320015 | 15 | 40 | 130 | 158,8 | 70 | 15,5 | 42 | 10 | 65 | 14 | 4 | 1,62 | |
| 28320020 | 20 | 40 | 150 | 158,8 | 72,6 | 18,1 | 42 | 15 | 75 | 14 | 4 | 2,13 | |
| 28320025 | 25 | 40 | 160 | 158,8 | 74,6 | 17,1 | 48 | 18 | 85 | 14 | 4 | 2,61 | |
| 28320032 | 32 | 40 | 180 | 158,8 | 79 | 17 | 57 | 24 | 100 | 18 | 4 | 3,59 | |
| 28320040 | 40 | 40 | 200 | 243 | 129 | 37,5 | 60 | 30 | 110 | 18 | 4 | 4,6 | |
| 28320050 | 50 | 40 | 230 | 243 | 137,5 | 38 | 76 | 40 | 125 | 18 | 4 | 6,13 | |
| 28320065 | 65 | 16 | 270 | 243 | 143,5 | 37,5 | 89 | 48 | 145 | 18 | 4 | 8,49 | |
| 28320080 | 80 | 16 | 280 | 277,6 | 174,5 | 56 | 114 | 63 | 160 | 18 | 4 | 10,85 | |
| 28320100 | 100 | 16 | 300 | 277,6 | 184,1 | 56,1 | 133 | 75 | 180 | 18 | 8 | 14,27 | |
| 28320125 | 125 | 16 | 350 | 526 | 184,3 | 61,3 | 180 | 100 | 210 | 18 | 8 | 24,37 | |
| 28320150iso | 150 | 16 | 380 | 526 | 200,8 | 58,3 | 219 | 125 | 240 | 22 | 8 | 30,77 | |
| 28320200iso | 200 | 16 | 450 | 526 | 221 | 46,5 | 273 | 148 | 295 | 22 | 12 | 50 | |
| 28320250iso | 250 | 16 | 530 | 1019,5 | 275,6 | 61,8 | 351 | 200 | 355 | 26 | 12 | 86,53 | |
| 28320300iso | 300 | 16 | 750 | - | 414 | 101 | 426 | 240 | 410 | 26 | 12 | 161,00 | |
| 28320350iso | 350 | 16 | 750 | - | 464 | 100 | 530 | 300 | 470 | 26 | 16 | 280,00 | |
| 28320400iso | 400 | 16 | 880 | - | 464 | 100 | 530 | 300 | 525 | 30 | 16 | 355,00 | |
| 28320500iso | 500 | 16 | 990 | - | 561 | 103 | 630 | 390 | 650 | 33 | 20 | 615,00 | |
| 28320600iso | 600 | 16 | 1173 | - | 664 | 104 | 820 | 500 | 770 | 39 | 20 | 1012,00 | 
283 Flanged DN125-500
 
        
        
        Characteristics
Мах. temperature (Т) °С.: +200 °С
Мin. temperature (Т) °С.: -60 °С
Valve tightness rate: Class "A"
Service life: At least 25 years
Warranty period: 3 years or 10 000 cycles
Body materials: 1.1151 / P235GH / 1,4541
STANDARD BORE BALL VALVE 283 (equipped with ISO flange for actuator)
FLANGED CONNECTION
Working medium
District heating networks, petroleum products, combustible and lubricating materials,
other fluids free from abrasive contaminants.
Natural gas, liquefied petroleum gas, gaseous media, non aggressive towards
valve materials.
 
        Modifications
| PRODUCT NUMBER | DN | PN | L | L1 | H | H1 | D | D1 | D2 | D3 | N OF HOLES | Вес | |
|---|---|---|---|---|---|---|---|---|---|---|---|---|---|
| 28320125 | 125 | 16 | 350 | 525 | 187 | 50 | 180 | 210 | 100 | 18 | 8 | 25,45 | |
| 28320150 | 150 | 16 | 380 | 525 | 203 | 48 | 219 | 240 | 125 | 22 | 8 | 34,00 | |
| 28320200 | 200 | 16 | 450 | 525 | 228 | 45 | 273 | 295 | 148 | 22 | 12 | 51,10 | |
| 28320250 | 250 | 16 | 530 | 1030 | 273 | 51 | 351 | 355 | 200 | 26 | 12 | 92,00 | |
| 28320300 | 300 | 16 | 750 | - | 414 | 101 | 426 | 410 | 240 | 26 | 12 | 161,00 | |
| 28320350 | 350 | 16 | 750 | - | 464 | 100 | 530 | 470 | 300 | 26 | 16 | 280,00 | |
| 28320400 | 400 | 16 | 880 | - | 464 | 100 | 530 | 525 | 300 | 30 | 16 | 355,00 | |
| 28320500 | 500 | 16 | 990 | - | 561 | 103 | 630 | 650 | 390 | 33 | 20 | 615,00 | |
| 28320600 | 600 | 16 | 1173 | - | 664 | 104 | 820 | 770 | 500 | 39 | 20 | 950 | 
STANDARD BORE BALL VALVE 284
 
        
        
        Characteristics
Мах. temperature (Т) °С.: +200 °С
Мin. temperature (Т) °С.: -60 °С
Valve tightness rate: Class "A"
Service life: At least 25 years
Warranty period: 3 years or 10 000 cycles
Body materials: 1.1151 / P235GH / 1,4541
CONNECTION* PN25
Working medium
District heating networks, petroleum products, combustible and lubricating materials,
other fluids free from abrasive contaminants.
Natural gas, liquefied petroleum gas, gaseous media, non aggressive towards
valve materials.
 
        Modifications
| PRODUCT NUMBER | DN | PN | L | L1 | H | H1 | D | D2 | D3 | D4 | n oтв. | Вес, кг | |
|---|---|---|---|---|---|---|---|---|---|---|---|---|---|
| 28420065 | 65 | 25 | 270 | 243 | 143,5 | 37,5 | 89 | 48 | 145 | 18 | 8 | 8,49 | |
| 28420080 | 80 | 25 | 280 | 277,6 | 174,5 | 56 | 114 | 63 | 160 | 18 | 8 | 10,85 | |
| 284200100 | 100 | 25 | 300 | 277,6 | 184,1 | 56,1 | 133 | 75 | 190 | 22 | 8 | 16,47 | |
| 284200125 | 125 | 25 | 350 | 526 | 184,3 | 61,3 | 180 | 100 | 220 | 26 | 8 | 29,37 | |
| 28420150iso | 150 | 25 | 380 | 526 | 200,8 | 58,3 | 219 | 125 | 250 | 26 | 8 | 37,77 | |
| 28420200iso | 200 | 25 | 450 | 526 | 221 | 46,5 | 273 | 148 | 310 | 26 | 12 | 56,4 | |
| 28420250iso | 250 | 25 | 530 | 1019,5 | 275,6 | 61,8 | 351 | 200 | 370 | 30 | 12 | 95,33 | |
| 28420300iso | 300 | 25 | 750 | - | 414 | 101 | 426 | 240 | 430 | 30 | 16 | 163,00 | |
| 28420350iso | 350 | 25 | 750 | - | 464 | 100 | 530 | 300 | 490 | 33 | 16 | 282,00 | |
| 28420400iso | 400 | 25 | 880 | - | 464 | 100 | 530 | 300 | 550 | 33 | 16 | 357,00 | |
| 28420500iso | 500 | 25 | 990 | - | 561 | 103 | 630 | 390 | 660 | 39 | 20 | 617,00 | |
| 28420600iso | 600 | 25 | 1173 | - | 664 | 104 | 820 | 500 | 770 | 39 | 20 | 1035,00 | 
STANDARD BORE BALL VALVE 284 (equipped with ISO flange for actuator)
 
        
        
        Characteristics
Мах. temperature (Т) °С.: +200 °С
Мin. temperature (Т) °С.: -60 °С
Valve tightness rate: Class "A"
Service life: At least 25 years
Warranty period: 3 years or 10 000 cycles
Body materials: 1.1151 / P235GH / 1,4541
FLANGED CONNECTION* PN25
Working medium
District heating networks, petroleum products, combustible and lubricating materials,
other fluids free from abrasive contaminants.
Natural gas, liquefied petroleum gas, gaseous media, non aggressive towards
valve materials.
 
        Modifications
| PRODUCT NUMBER | DN | PN | L | L1 | H | H1 | D | D2 | D3 | D4 | n отв. | Вес,кг | |
|---|---|---|---|---|---|---|---|---|---|---|---|---|---|
| 28420150 | 150 | 25 | 380 | 526 | 200,8 | 58,3 | 219 | 125 | 250 | 26 | 8 | 37,77 | |
| 28420200 | 200 | 25 | 450 | 525 | 221 | 46,5 | 273 | 148 | 310 | 26 | 12 | 56,4 | |
| 28420250 | 250 | 25 | 530 | 1019,5 | 275,6 | 61,8 | 351 | 200 | 370 | 30 | 12 | 95,33 | |
| 28420300 | 300 | 25 | 750 | - | 414 | 101 | 426 | 240 | 430 | 30 | 16 | 163,00 | |
| 28420350 | 350 | 25 | 750 | - | 464 | 100 | 530 | 300 | 490 | 33 | 16 | 282,00 | |
| 28420400 | 400 | 25 | 880 | - | 464 | 100 | 530 | 300 | 550 | 33 | 16 | 357,00 | |
| 28420500 | 500 | 25 | 990 | - | 561 | 103 | 630 | 390 | 660 | 39 | 20 | 617,00 | |
| 28420600 | 600 | 25 | 1173 | - | 664 | 104 | 820 | 500 | 770 | 39 | 20 | 1035,00 | 
STANDARD BORE BALL VALVE (SHORT LENGTH) 286
 
        
        
        Characteristics
Мах. temperature (Т) °С.: +200 °С
Мin. temperature (Т) °С.: -60 °С
Valve tightness rate: Class "A"
Service life: At least 25 years
Warranty period: 3 years or 10 000 cycles
Body materials: 1.1151 / P235GH / 1,4541
FLANGED CONNECTION
Working medium
District heating networks, petroleum products, combustible and lubricating materials,
other fluids free from abrasive contaminants.
Natural gas, liquefied petroleum gas, gaseous media, non aggressive towards
valve materials.
 
        Modifications
| PRODUCT NUMBER | DN | PN | L | L1 | H | H1 | D | D2 | D3 | D4 | n отв. | Вес, кг | |
|---|---|---|---|---|---|---|---|---|---|---|---|---|---|
| 28620015 | 15 | 40 | 120 | 158,8 | 70 | 15,5 | 42 | 10 | 65 | 14 | 4 | 1,74 | |
| 28620020 | 20 | 40 | 120 | 158,8 | 72,6 | 18,1 | 42 | 15 | 75 | 14 | 4 | 2,08 | |
| 28620025 | 25 | 40 | 140 | 158,8 | 74,6 | 17,1 | 48 | 18 | 85 | 14 | 4 | 2,56 | |
| 28620032 | 32 | 40 | 140 | 158,8 | 79 | 17 | 57 | 24 | 100 | 18 | 4 | 3,47 | |
| 28620040 | 40 | 40 | 165 | 243 | 129 | 37,5 | 60 | 30 | 110 | 18 | 4 | 4,47 | |
| 28620050 | 50 | 40 | 180 | 243 | 137,5 | 38 | 76 | 40 | 125 | 18 | 4 | 5,90 | |
| 28620065 | 65 | 16 | 200 | 243 | 143,5 | 37,5 | 89 | 48 | 145 | 18 | 4 | 8,05 | |
| 28620080 | 80 | 16 | 210 | 277,6 | 174,5 | 56 | 114 | 63 | 160 | 18 | 4 | 10,24 | |
| 286200100 | 100 | 16 | 230 | 277,6 | 184,1 | 56,1 | 133 | 75 | 180 | 18 | 8 | 13,35 | |
| 286200125 | 125 | 16 | 254 | 526 | 184,3 | 61,3 | 180 | 100 | 210 | 18 | 8 | 21,33 | |
| 286200150 | 150 | 16 | 280 | 526 | 200,8 | 58,3 | 219 | 125 | 240 | 22 | 8 | 39 | 
STANDARD BORE BALL VALVE 289
 
        
        
        Characteristics
Мах. temperature (Т) °С.: +200 °С
Мin. temperature (Т) °С.: -60 °С
Valve tightness rate: Class "A"
Service life: At least 25 years
Warranty period: 3 years or 10 000 cycles
Body materials: 1.1151 / P235GH / 1,4541
FLANGED / WELDED CONNECTION
Working medium
District heating networks, petroleum products, combustible and lubricating materials,
other fluids free from abrasive contaminants.
Natural gas, liquefied petroleum gas, gaseous media, non aggressive towards
valve materials.
 
        Modifications
| PRODUCT NUMBER | DN | PN | L | L1 | H | H1 | S | D | D1 | D2 | D3 | D4 | n отв. | |
|---|---|---|---|---|---|---|---|---|---|---|---|---|---|---|
| 28920015 | 15 | 40 | 165 | 158,8 | 70 | 15,5 | 2,8 | 42 | 22 | 10 | 65 | 14 | 4 | |
| 28920020 | 20 | 40 | 175 | 158,8 | 72,6 | 18,1 | 2,8 | 42 | 27 | 15 | 75 | 14 | 4 | |
| 28920025 | 25 | 40 | 195 | 158,8 | 74,6 | 17,1 | 3,2 | 48 | 32 | 18 | 85 | 14 | 4 | |
| 28920032 | 32 | 40 | 205 | 158,8 | 79 | 17 | 3,2 | 57 | 42 | 24 | 100 | 18 | 4 | |
| 28920040 | 40 | 40 | 225 | 243 | 129 | 37,5 | 3,5 | 60 | 48 | 30 | 110 | 18 | 4 | |
| 28920050 | 50 | 40 | 250 | 243 | 137,5 | 38 | 3,5 | 76 | 57 | 40 | 125 | 18 | 4 | |
| 28920065 | 65 | 16 | 275 | 243 | 143,5 | 37,5 | 3,5 | 89 | 76 | 48 | 145 | 18 | 4 | |
| 28920080 | 80 | 16 | 280 | 277,6 | 174,5 | 56 | 4 | 114 | 89 | 63 | 160 | 18 | 4 | |
| 289200100 | 100 | 16 | 300 | 277,6 | 184,1 | 56,1 | 5 | 133 | 108 | 75 | 180 | 18 | 8 | 
FULL BORE BALL VALVE 290
 
        
        
        Characteristics
Мах. temperature (Т) °С.: +200 °С
Мin. temperature (Т) °С.: -60 °С
Valve tightness rate: Class "A"
Service life: At least 25 years
Warranty period: 3 years or 10 000 cycles
Body materials: 1.1151 / P235GH / 1,4541
FEMALE THREADS CONNECTION
Working medium
District heating networks, petroleum products, combustible and lubricating materials,
other fluids free from abrasive contaminants.
Natural gas, liquefied petroleum gas, gaseous media, non aggressive towards
valve materials.
 
        Modifications
| PRODUCT NUMBER | DN | PN | L | L1 | H | H1 | D | R | D2 | Вес | |
|---|---|---|---|---|---|---|---|---|---|---|---|
| 29020015 | 15 | 40 | 100 | 158,8 | 72,6 | 18,1 | 42 | 1/2 | 15 | 0,75 | |
| 29020020 | 20 | 40 | 100 | 158,8 | 74,6 | 17,1 | 48 | 3/4 | 18 | 1,02 | |
| 29020025 | 25 | 40 | 100 | 158,8 | 79 | 17 | 57 | 1 | 24 | 1,28 | |
| 29020032 | 32 | 40 | 120 | 243 | 129 | 37,5 | 60 | 1 1/4 | 30 | 1,73 | |
| 29020040 | 40 | 40 | 145 | 243 | 137,5 | 38 | 76 | 1 1/2 | 40 | 2,97 | |
| 29020050 | 50 | 40 | 190 | 243 | 143,5 | 37,5 | 89 | 2 | 48 | 4,73 | |
| 29020065 | 65 | 25 | 200 | 277,6 | 174,5 | 56 | 114 | 2 1/2 | 63 | 6,58 | |
| 29020080 | 80 | 25 | 240 | 277,6 | 184,1 | 56,1 | 133 | 3 | 75 | 12,83 | |
| 29020100 | 100 | 25 | 240 | 526 | 184,3 | 61,3 | 180 | 4 | 100 | 13,59 | 
292 Welding DN10 - DN80
 
        
        
        Characteristics
Мах. temperature (Т) °С.: +200 °С
Мin. temperature (Т) °С.: -40 °С
Valve tightness rate: Class "A"
Service life: At least 25 years
Warranty period: 3 years or 10 000 cycles
Body materials: 1.1151 / P235GH / 1,4541
Bore size: full
WELDED CONNECTION
Working medium
District heating networks, petroleum products, combustible and lubricating materials,
other fluids free from abrasive contaminants.
Natural gas, liquefied petroleum gas, gaseous media, non aggressive towards
valve materials.
 
        Modifications
| PRODUCT NUMBER | DN | PN | L | L1 | H | H1 | D | D1 | D2 | S | Вес,кг | |
|---|---|---|---|---|---|---|---|---|---|---|---|---|
| 29220010 | 10 | 40 | 210 | 157,5 | 69 | 17,5 | 42 | 17 | 10 | 3 | 0,80 | |
| 29220015 | 15 | 40 | 210 | 158,8 | 72,6 | 18,1 | 42 | 22 | 15 | 2,8 | 0,76 | |
| 29220020 | 20 | 40 | 230 | 158,8 | 74,6 | 17,1 | 48 | 27 | 18 | 3,2 | 1,03 | |
| 29220025 | 25 | 40 | 230 | 158,8 | 79 | 17 | 57 | 32 | 24 | 3,2 | 1,21 | |
| 29220032 | 32 | 40 | 260 | 243 | 129 | 37,5 | 60 | 42 | 30 | 3,5 | 1,97 | |
| 29220040 | 40 | 40 | 260 | 243 | 137,5 | 38 | 76 | 48 | 40 | 3,5 | 2,36 | |
| 29220050 | 50 | 40 | 300 | 243 | 143,5 | 37,5 | 89 | 57 | 48 | 3,5 | 3,32 | |
| 29220065 | 65 | 25 | 360 | 277,6 | 174,5 | 56 | 114 | 76 | 63 | 4 | 5,29 | |
| 29220080 | 80 | 25 | 370 | 277,6 | 184,1 | 56,1 | 133 | 89 | 75 | 5 | 7,37 | |
| 29220100 | 100 | 25 | 330 | 526 | 184,3 | 56,3 | 180 | 108 | 100 | 5 | 13,49 | |
| 29220125 | 125 | 25 | 360 | 526 | 200,8 | 53,3 | 219 | 133 | 125 | 6 | 18,02 | |
| 29220150 | 150 | 25 | 390 | 526 | 221 | 46,5 | 273 | 159 | 148 | 6 | 23,85 | |
| 29220200 | 200 | 25 | 510 | 1019,5 | 275,6 | 61,8 | 351 | 219 | 200 | 8 | 57,42 | |
| 29220250 | 250 | 25 | 730 | - | 414 | 101 | 426 | 273 | 240 | 10 | 123,00 | |
| 29220300 | 300 | 16/25 | 730 | - | 464 | 101 | 530 | 325 | 300 | 10 | 235,00 | |
| 29220350 | 350 | 16/25 | 970 | - | 661 | 103 | 630 | 377 | 390 | 10 | 376,00 | |
| 29220400 | 400 | 16/25 | 970 | - | 560 | 103 | 630 | 426 | 390 | 10 | 454,00 | |
| 29220500 | 500 | 16/25 | 991 | - | 664 | 104 | 820 | 530 | 500 | 10 | 827,5 | |
| 29220700 | 700* | 16/25 | 1150 | - | - | 88 | 970 | 720 | 600 | 13 | 1182 | |
| 29220800 | 800* | 16/25 | 1346 | - | - | 132 | 1120 | 820 | 700 | 13 | 2595 | |
| 292201000 | 1000* | 16/25 | 1524 | - | - | 82 | 1220 | 1020 | 780 | 15 | 2795 | |
| 292201200 | 1200* | 16/25 | 1650 | - | - | 82 | 1420 | 1220 | 1000 | 15 | 3852 | |
| 292201400 | 1400* | 16/25 | 1800 | - | - | 126 | 1620 | 1420 | 1200 | 15 | 4352 | 
FULL BORE BALL VALVE 292 (equipped with ISO flange for actuator)
 
        
        
        Characteristics
Мах. temperature (Т) °С.: + 200 °С
Мin. temperature (Т) °С.: -60 °С
Valve tightness rate: Class "A"
Service life: At least 25 years
Warranty period: 3 years or 10 000 cycles
Body materials: 1.1151 / P235GH / 1,4541
WELDED CONNECTION
Working medium
District heating networks, petroleum products, combustible and lubricating materials,
other fluids free from abrasive contaminants.
Natural gas, liquefied petroleum gas, gaseous media, non aggressive towards
valve materials.
 
        Modifications
| PRODUCT NUMBER | DN | PN | L | L1 | H | H1 | D | D1 | D2 | S | Вес | |
|---|---|---|---|---|---|---|---|---|---|---|---|---|
| 29220100 | 100 | 25 | 330 | 525 | 187 | 50 | 180 | 108 | 100 | 5 | 14,30 | |
| 29220125 | 125 | 25 | 360 | 525 | 203 | 47 | 219 | 133 | 125 | 5 | 18,75 | |
| 29220150 | 150 | 25 | 390 | 525 | 228 | 45 | 273 | 159 | 148 | 6 | 25,00 | |
| 29220200 | 200 | 25 | 510 | 1030 | 273 | 51 | 351 | 219 | 200 | 8 | 58,25 | |
| 29220250 | 250 | 25 | 730 | - | 414 | 101 | 426 | 273 | 240 | 10 | 123,00 | |
| 29220300 | 300 | 16/25 | 730 | - | 464 | 101 | 530 | 325 | 300 | 10 | 235,00 | |
| 29220400 | 400 | 16/25 | 970 | - | 560 | 103 | 630 | 426 | 390 | 10 | 454,00 | |
| 29220500 | 500 | 16/25 | 991 | - | 664 | 122 | 820 | 530 | 500 | - | 827,5 | |
| 29220700 | 700* | 16/25 | 1150 | - | - | 88 | 970 | 720 | 600 | 13 | ||
| 29220800 | 800* | 16/25 | 1346 | - | - | 132 | 1120 | 820 | 700 | 13 | ||
| 292201000 | 1000* | 16/25 | 1524 | - | - | 82 | 1220 | 1020 | 780 | 15 | ||
| 292201200 | 1200* | 16/25 | 1650 | - | - | 82 | 1420 | 1220 | 1000 | 15 | ||
| 292201400 | 1400* | 16/25 | 1800 | - | - | 126 | 1620 | 1420 | 1200 | 15 | 
FULL BORE BALL VALVE 293
 
        
        
        Characteristics
Мах. temperature (Т) °С.: + 200 °С
Мin. temperature (Т) °С.: -60 °С
Valve tightness rate: Class "A"
Service life: At least 25 years
Warranty period: 3 years or 10 000 cycles
Body materials: 1.1151 / P235GH / 1,4541
FLANGED CONNECTION
Working medium
District heating networks, petroleum products, combustible and lubricating materials,
other fluids free from abrasive contaminants.
Natural gas, liquefied petroleum gas, gaseous media, non aggressive towards
valve materials.
 
        Modifications
| PRODUCT NUMBER | DN | PN | L | L1 | H | H1 | D | D2 | D3 | D4 | n oтв. | Вес, кг | |
|---|---|---|---|---|---|---|---|---|---|---|---|---|---|
| 29320015 | 15 | 40 | 130 | 158,8 | 72,6 | 18,1 | 42 | 15 | 65 | 14 | 4 | 1,78 | |
| 29320020 | 20 | 40 | 150 | 158,8 | 74,6 | 17,1 | 48 | 18 | 75 | 14 | 4 | 2,23 | |
| 29320025 | 25 | 40 | 160 | 158,8 | 79 | 17 | 57 | 24 | 85 | 14 | 4 | 2,75 | |
| 29320032 | 32 | 40 | 180 | 243 | 129 | 37,5 | 60 | 30 | 100 | 18 | 4 | 4,14 | |
| 29320040 | 40 | 40 | 200 | 243 | 137,5 | 38 | 76 | 40 | 110 | 18 | 4 | 4,95 | |
| 29320050 | 50 | 40 | 250 | 243 | 143,5 | 37,5 | 89 | 48 | 125 | 18 | 4 | 6,87 | |
| 29320065 | 65 | 16 | 270 | 277,6 | 174,5 | 56 | 114 | 63 | 145 | 18 | 4 | 9,85 | |
| 29320080 | 80 | 16 | 290 | 277,6 | 184,1 | 56,1 | 133 | 75 | 160 | 18 | 4 | 12,54 | |
| 29320100 | 100 | 16 | 350 | 526 | 184,3 | 56,3 | 180 | 100 | 180 | 18 | 8 | 21,28 | |
| 29320125iso | 125 | 16 | 380 | 526 | 200,8 | 53,3 | 219 | 125 | 210 | 18 | 8 | 28,67 | |
| 29320150iso | 150 | 16 | 410 | 526 | 221 | 46,5 | 273 | 148 | 240 | 22 | 8 | 36,31 | |
| 29320200iso | 200 | 16 | 530 | 1019,5 | 273 | 51 | 351 | 200 | 295 | 22 | 12 | 76,75 | |
| 29320250iso | 250 | 16 | 750 | - | 414 | 101 | 426 | 240 | 355 | 26 | 12 | 145,00 | |
| 29320300iso | 300 | 16 | 750 | - | 464 | 100 | 530 | 300 | 410 | 26 | 12 | 270,00 | |
| 29320350iso | 350 | 16 | 990 | - | 561 | 103 | 630 | 390 | 470 | 26 | 16 | 422,00 | |
| 29320400iso | 400 | 16 | 990 | - | 560 | 103 | 630 | 390 | 525 | 30 | 16 | 615,00 | |
| 29320500iso | 500 | 16 | 1017 | - | 664 | 104 | 820 | 500 | 650 | 33 | 20 | 940,50 | 
FULL BORE BALL VALVE 293(equipped with ISO flange for actuator)
 
        
        
        Characteristics
Мах. temperature (Т) °С.: + 200 °С
Мin. temperature (Т) °С.: -60 °С
Valve tightness rate: Class "A"
Service life: At least 25 years
Warranty period: 3 years or 10 000 cycles
Body materials: 1.1151 / P235GH / 1,4541
FLANGED CONNECTION
Working medium
District heating networks, petroleum products, combustible and lubricating materials,
other fluids free from abrasive contaminants.
Natural gas, liquefied petroleum gas, gaseous media, non aggressive towards
valve materials.
 
        Modifications
| PRODUCT NUMBER | DN | PN | L | L1 | H | H1 | D | D2 | D3 | D4 | n отв. | Вес.кг | |
|---|---|---|---|---|---|---|---|---|---|---|---|---|---|
| 29320125iso | 125 | 16 | 380 | 526 | 200,8 | 53,3 | 219 | 125 | 210 | 18 | 8 | 28,67 | |
| 29320150iso | 150 | 16 | 410 | 526 | 221 | 46,5 | 273 | 148 | 240 | 22 | 8 | 36,31 | |
| 29320200iso | 200 | 16 | 530 | 1019,5 | 273 | 51 | 351 | 200 | 295 | 22 | 12 | 76,75 | |
| 29320250iso | 250 | 16 | 750 | - | 414 | 101 | 426 | 240 | 355 | 26 | 12 | 145,00 | |
| 29320300iso | 300 | 16 | 750 | - | 464 | 100 | 530 | 300 | 410 | 26 | 12 | 270,00 | |
| 29320400iso | 400 | 16 | 990 | - | 560 | 103 | 630 | 390 | 525 | 30 | 16 | 615,00 | |
| 29320500iso | 500 | 16 | 1017 | - | 664 | 104 | 820 | 500 | 650 | 33 | 20 | 940,50 | 
FULL BORE BALL VALVE 294(equipped with ISO flange for actuator)
 
        
        
        Characteristics
Мах. temperature (Т) °С.: + 200 °С
Мin. temperature (Т) °С.: -60 °С
Valve tightness rate: Class "A"
Service life: At least 25 years
Warranty period: 3 years or 10 000 cycles
Body materials: 1.1151 / P235GH / 1,4541
FLANGED CONNECTION PN25
Working medium
District heating networks, petroleum products, combustible and lubricating materials,
other fluids free from abrasive contaminants.
Natural gas, liquefied petroleum gas, gaseous media, non aggressive towards
valve materials.
 
        Modifications
| PRODUCT NUMBER | DN | PN | L | L1 | H | H1 | D | D2 | D3 | D4 | n отв. | Вес,кг | |
|---|---|---|---|---|---|---|---|---|---|---|---|---|---|
| 29420125iso | 125 | 25 | 380 | 526 | 200,8 | 53,3 | 219 | 125 | 220 | 26 | 8 | 33,67 | |
| 29420150iso | 150 | 25 | 410 | 526 | 221 | 46,5 | 273 | 148 | 250 | 26 | 8 | 49,31 | |
| 29420200iso | 200 | 25 | 530 | 1019,5 | 273 | 51 | 351 | 200 | 310 | 26 | 12 | 92,54 | |
| 29420250iso | 250 | 25 | 750 | - | 414 | 101 | 426 | 240 | 370 | 30 | 12 | 147,0 | |
| 29420300iso | 300 | 25 | 750 | - | 464 | 100 | 530 | 300 | 430 | 30 | 16 | 272,0 | |
| 29420400iso | 400 | 25 | 990 | - | 560 | 103 | 630 | 390 | 550 | 33 | 16 | 617,0 | |
| 29420500iso | 500 | 25 | 1017 | - | 664 | 104 | 820 | 500 | 660 | 39 | 20 | 962,0 | 
FULL BORE BALL VALVE 294
 
        
        
        Characteristics
Мах. temperature (Т) °С.: +200 °С
Мin. temperature (Т) °С.: -60 °С
Valve tightness rate: Class "A"
Service life: At least 25 years.
Warranty period: 3 years or 10 000 cycles.
Body materials: 1.1151 / P235GH / 1,4541
FLANGED CONNECTION PN25
Working medium
District heating networks, petroleum products, combustible and lubricating materials,
other fluids free from abrasive contaminants.
Natural gas, liquefied petroleum gas, gaseous media, non aggressive towards
valve materials.
 
        Modifications
| PRODUCT NUMBER | DN | PN | L | L1 | H | H1 | D | D1 | D2 | D3 | n отв. | Вес,кг. | |
|---|---|---|---|---|---|---|---|---|---|---|---|---|---|
| 29420065 | 65 | 25 | 270 | 276 | 172,5 | 57 | 114 | 145 | 63 | 18 | 8 | 10,95 | |
| 29420080 | 80 | 25 | 290 | 276 | 182 | 57 | 133 | 160 | 75 | 18 | 8 | 17,70 | |
| 29420100 | 100 | 25 | 350 | 525 | 187 | 50 | 180 | 190 | 100 | 22 | 8 | 24,84 | |
| 29420125 | 125 | 25 | 380 | 525 | 203 | 48 | 219 | 220 | 125 | 26 | 8 | 44,60 | |
| 29420150 | 150 | 25 | 410 | 525 | 228 | 45 | 273 | 250 | 148 | 26 | 8 | 61,04 | |
| 29420200 | 200 | 25 | 530 | 1030 | 273 | 51 | 351 | 310 | 200 | 26 | 12 | 92,54 | |
| 29420250 | 250 | 25 | 750 | - | 414 | 101 | 426 | 370 | 240 | 30 | 12 | 147,0 | |
| 29420300 | 300 | 25 | 750 | - | 464 | 100 | 530 | 430 | 300 | 30 | 16 | 272,0 | |
| 29420350 | 350 | 25 | 990 | - | 561 | 103 | 630 | 490 | 390 | 33 | 16 | 449,0 | |
| 29420400 | 400 | 25 | 990 | - | 560 | 103 | 630 | 550 | 390 | 33 | 16 | 617,0 | |
| 29420500 | 500 | 25 | 1017 | - | 664 | 104 | 820 | 650 | 500 | 39 | 20 | 962,0 | 
BALL VALVE FULL BORE COMPACT DN 50, DN 80
 
        
        
        Characteristics
Мах. temperature (Т) °С.: up to +200 °С
Мin. temperature (Т) °С.: from -40 °С to -60 °С
Valve tightness rate: Class "A" GOST-RU 9544-2015
Service life: At least 40 years or at least 10 000 cycles
Warranty period: 3 years
Bore size: Full bore
Connection: Flanged
The valves are designed for installation in confined spaces.
Connection type: flanged
Working medium: Heat network water, oil products, petroleum products, fuels and lubricants and other working media non-aggressive to the materials of the valve components.
 
        Modifications
| PRODUCT NUMBER | DN | PN | L | L1 | H | H1 | D | D2 | D3 | D4 | n отв. | Вес,кг. | |
|---|---|---|---|---|---|---|---|---|---|---|---|---|---|
| 29320050 компакт | 50 | 40 | 86 | 243 | 145,3 | 39 | 89 | 48 | 125 | 18 | 4 | 5,5 | |
| 29320080 компакт | 80 | 16 | 121 | 278 | 184,1 | 56,1 | 133 | 75 | 160 | 18 | 4 | 9,69 | |
| 29320100 компакт | 100 | 16 | 160 | 526 | 184,3 | 61,3 | 180 | 100 | 180 | 18 | 8 | 15,81 | 
Кран шаровой стандартнопроходной 382 приварной
 
        
        
        Characteristics
Мах. temperature (Т) °С.: до +200 °С
Мin. temperature (Т) °С.: до -40 °С (исп. У), до -60 °С (исп. ХЛ)
Valve tightness rate: Класс «А» ГОСТ 9544-2015
Service life: Не менее 25 лет
Warranty period: 3 года или не менее 10 000 циклов
Body materials: Сталь 20/09Г2С/12Х18Н10Т
Bore size: Стандартный
Connection: Резьбовое / приварное
Тип присоединения:
фланцевый/приварной
Рабочая среда:
 
        Modifications
| PRODUCT NUMBER | DN | PN | L | L1 | H | H1 | D | D1 | D2 | S | G | |
|---|---|---|---|---|---|---|---|---|---|---|---|---|
| 28920020 | 20 | 40 | 150 | 158,8 | 71,7 | 17,2 | 42 | 27 | 15 | 2,8 | 3,4 | |
| 28920025 | 25 | 40 | 165 | 158,8 | 74,6 | 17,1 | 48 | 32 | 18 | 3,2 | 1 | |
| 28920032 | 32 | 40 | 165 | 143,8 | 110,8 | 15,8 | 57 | 42 | 24 | 3,2 | 1 1/4 | |
| 28920040 | 40 | 40 | 185 | 243 | 129 | 37,5 | 60 | 48 | 30 | 3,5 | 1 1/2 | |
| 28920050 | 50 | 40 | 207,5 | 243 | 137,5 | 38 | 76 | 57 | 40 | 3,5 | 2 | |
| 28920065 | 65 | 25 | 235 | 243 | 143,5 | 37,5 | 89 | 76 | 48 | 3,5 | 2 1/2 | |
| 28920080 | 80 | 25 | 240 | 277,6 | 174,5 | 56 | 114 | 89 | 63 | 4 | 3 | |
| 28920100 | 100 | 25 | 270 | 277,6 | 184,1 | 56,1 | 133 | 108 | 75 | 5 | 4 |