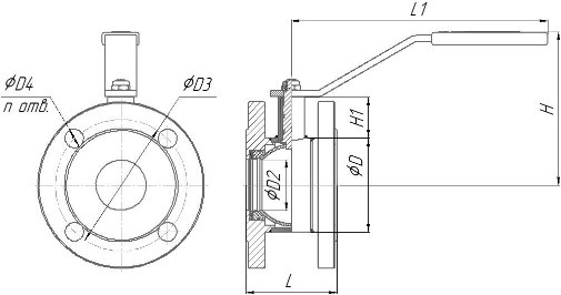
Кран шаровой стандартнопроходной 286 под задвижку
Характеристики
Макс. температура (Т) °С.: до +200 °С
Мин. температура (Т) °С.: до -40 °С (исп. У), до -60 °С (исп. ХЛ)
Класс герметичности: Класс «А» ГОСТ 9544-2015
Срок службы: Не менее 25 лет*
Гарантийный срок: 3 года или не менее 10 000 циклов
Материалы корпуса: Сталь 20/09Г2С/12Х18Н10Т
Тип присоединения:
фланцевый/фланцевый
Рабочая среда:
теплосетевая вода, нефтепродукты, ГСМ и другие рабочие среды, неагрессивные для материалов деталей крана.
Модификации
| Артикул | DN | PN | L | L1 | H | H1 | D | D2 | D3 | D4 | n отв. | Вес, кг | |
|---|---|---|---|---|---|---|---|---|---|---|---|---|---|
| 28620015 | 15 | 40 | 120 | 158,8 | 70 | 15,5 | 42 | 10 | 65 | 14 | 4 | 1,74 | |
| 28620020 | 20 | 40 | 120 | 158,8 | 72,6 | 18,1 | 42 | 15 | 75 | 14 | 4 | 2,08 | |
| 28620025 | 25 | 40 | 140 | 158,8 | 74,6 | 17,1 | 48 | 18 | 85 | 14 | 4 | 2,56 | |
| 28620032 | 32 | 40 | 140 | 158,8 | 79 | 17 | 57 | 24 | 100 | 18 | 4 | 3,47 | |
| 28620040 | 40 | 40 | 165 | 243 | 129 | 37,5 | 60 | 30 | 110 | 18 | 4 | 4,47 | |
| 28620050 | 50 | 40 | 180 | 243 | 137,5 | 38 | 76 | 40 | 125 | 18 | 4 | 5,90 | |
| 28620065 | 65 | 16 | 200 | 243 | 143,5 | 37,5 | 89 | 48 | 145 | 18 | 4 | 8,05 | |
| 28620080 | 80 | 16 | 210 | 277,6 | 174,5 | 56 | 114 | 63 | 160 | 18 | 4 | 10,24 | |
| 286200100 | 100 | 16 | 230 | 277,6 | 184,1 | 56,1 | 133 | 75 | 180 | 18 | 8 | 13,35 | |
| 286200125 | 125 | 16 | 254 | 526 | 184,3 | 61,3 | 180 | 100 | 210 | 18 | 8 | 21,33 | |
| 286200150 | 150 | 16 | 280 | 526 | 200,8 | 58,3 | 219 | 125 | 240 | 22 | 8 | 39 |
Кран шаровой стандартнопроходной 289 комбинированный
Характеристики
Макс. температура (Т) °С.: до +200 °С
Мин. температура (Т) °С.: до -40 °С (исп. У), до -60 °С (исп. ХЛ)
Класс герметичности: Класс «А» ГОСТ 9544-2015
Срок службы: Не менее 25 лет
Гарантийный срок: 3 года или не менее 10 000 циклов
Материалы корпуса: Сталь 20/09Г2С/12Х18Н10Т
Тип присоединения:
фланцевый/приварной
Рабочая среда:
Теплосетевая вода, нефтепродукты, ГСМ и другие рабочие среды, неагрессивные для материалов деталей крана.
Модификации
| Артикул | DN | PN | L | L1 | H | H1 | S | D | D1 | D2 | D3 | D4 | n отв. | |
|---|---|---|---|---|---|---|---|---|---|---|---|---|---|---|
| 28920015 | 15 | 40 | 165 | 158,8 | 70 | 15,5 | 2,8 | 42 | 22 | 10 | 65 | 14 | 4 | |
| 28920020 | 20 | 40 | 175 | 158,8 | 72,6 | 18,1 | 2,8 | 42 | 27 | 15 | 75 | 14 | 4 | |
| 28920025 | 25 | 40 | 195 | 158,8 | 74,6 | 17,1 | 3,2 | 48 | 32 | 18 | 85 | 14 | 4 | |
| 28920032 | 32 | 40 | 205 | 158,8 | 79 | 17 | 3,2 | 57 | 42 | 24 | 100 | 18 | 4 | |
| 28920040 | 40 | 40 | 225 | 243 | 129 | 37,5 | 3,5 | 60 | 48 | 30 | 110 | 18 | 4 | |
| 28920050 | 50 | 40 | 250 | 243 | 137,5 | 38 | 3,5 | 76 | 57 | 40 | 125 | 18 | 4 | |
| 28920065 | 65 | 16 | 275 | 243 | 143,5 | 37,5 | 3,5 | 89 | 76 | 48 | 145 | 18 | 4 | |
| 28920080 | 80 | 16 | 280 | 277,6 | 174,5 | 56 | 4 | 114 | 89 | 63 | 160 | 18 | 4 | |
| 289200100 | 100 | 16 | 300 | 277,6 | 184,1 | 56,1 | 5 | 133 | 108 | 75 | 180 | 18 | 8 |
Кран шаровой полнопроходной 290 резьбовой
Характеристики
Макс. температура (Т) °С.: до +200 °С
Мин. температура (Т) °С.: до -40 °С (исп. У), до -60 °С (исп. ХЛ)
Класс герметичности: Класс «А» ГОСТ Р54808-2011
Срок службы: Не менее 25 лет
Гарантийный срок: 3 года или не менее 10 000 циклов
Материалы корпуса: Сталь 20/09Г2С/12Х18Н10Т
Тип присоединения:
резьбовой/резьбовой
Рабочая среда:
теплосетевая вода, нефтепродукты, ГСМ и другие рабочие среды, неагрессивные для материалов деталей крана.
Модификации
| Артикул | DN | PN | L | L1 | H | H1 | D | R | D2 | Вес | |
|---|---|---|---|---|---|---|---|---|---|---|---|
| 29020015 | 15 | 40 | 100 | 158,8 | 72,6 | 18,1 | 42 | 1/2 | 15 | 0,75 | |
| 29020020 | 20 | 40 | 100 | 158,8 | 74,6 | 17,1 | 48 | 3/4 | 18 | 1,02 | |
| 29020025 | 25 | 40 | 100 | 158,8 | 79 | 17 | 57 | 1 | 24 | 1,28 | |
| 29020032 | 32 | 40 | 120 | 243 | 129 | 37,5 | 60 | 1 1/4 | 30 | 1,73 | |
| 29020040 | 40 | 40 | 145 | 243 | 137,5 | 38 | 76 | 1 1/2 | 40 | 2,97 | |
| 29020050 | 50 | 40 | 190 | 243 | 143,5 | 37,5 | 89 | 2 | 48 | 4,73 | |
| 29020065 | 65 | 25 | 200 | 277,6 | 174,5 | 56 | 114 | 2 1/2 | 63 | 6,58 | |
| 29020080 | 80 | 25 | 240 | 277,6 | 184,1 | 56,1 | 133 | 3 | 75 | 12,83 | |
| 29020100 | 100 | 25 | 240 | 526 | 184,3 | 61,3 | 180 | 4 | 100 | 13,59 |
Кран шаровой полнопроходной 292 приварной
Характеристики
Макс. температура (Т) °С.: до +200 °С
Мин. температура (Т) °С.: до -40 °С (исп. У), до -60 °С (исп. ХЛ)
Класс герметичности: Класс «А» ГОСТ Р54808-2011
Срок службы: Не менее 25 лет
Гарантийный срок: 3 года или не менее 10 000 циклов
Материалы корпуса: Сталь 20/09Г2С/12Х18Н10Т
Проход: полный
Тип присоединения:
приварной/приварной
Рабочая среда:
Теплосетевая вода, нефтепродукты, ГСМ и другие рабочие среды, неагрессивные для материалов деталей крана
*Краны DN700 - 1400 изготавливаются под заказ. Информация по кранам DN700 - 1400 предоставляется по запросу
Модификации
| Артикул | DN | PN | L | L1 | H | H1 | D | D1 | D2 | S | Вес,кг | |
|---|---|---|---|---|---|---|---|---|---|---|---|---|
| 29220010 | 10 | 40 | 210 | 157,5 | 69 | 17,5 | 42 | 17 | 10 | 3 | 0,80 | |
| 29220015 | 15 | 40 | 210 | 158,8 | 72,6 | 18,1 | 42 | 22 | 15 | 2,8 | 0,76 | |
| 29220020 | 20 | 40 | 230 | 158,8 | 74,6 | 17,1 | 48 | 27 | 18 | 3,2 | 1,03 | |
| 29220025 | 25 | 40 | 230 | 158,8 | 79 | 17 | 57 | 32 | 24 | 3,2 | 1,21 | |
| 29220032 | 32 | 40 | 260 | 243 | 129 | 37,5 | 60 | 42 | 30 | 3,5 | 1,97 | |
| 29220040 | 40 | 40 | 260 | 243 | 137,5 | 38 | 76 | 48 | 40 | 3,5 | 2,36 | |
| 29220050 | 50 | 40 | 300 | 243 | 143,5 | 37,5 | 89 | 57 | 48 | 3,5 | 3,32 | |
| 29220065 | 65 | 25 | 360 | 277,6 | 174,5 | 56 | 114 | 76 | 63 | 4 | 5,29 | |
| 29220080 | 80 | 25 | 370 | 277,6 | 184,1 | 56,1 | 133 | 89 | 75 | 5 | 7,37 | |
| 29220100 | 100 | 25 | 330 | 526 | 184,3 | 56,3 | 180 | 108 | 100 | 5 | 13,49 | |
| 29220125 | 125 | 25 | 360 | 526 | 200,8 | 53,3 | 219 | 133 | 125 | 6 | 18,02 | |
| 29220150 | 150 | 25 | 390 | 526 | 221 | 46,5 | 273 | 159 | 148 | 6 | 23,85 | |
| 29220200 | 200 | 25 | 510 | 1019,5 | 275,6 | 61,8 | 351 | 219 | 200 | 8 | 57,42 | |
| 29220250 | 250 | 25 | 730 | - | 414 | 101 | 426 | 273 | 240 | 10 | 123,00 | |
| 29220300 | 300 | 16/25 | 730 | - | 464 | 101 | 530 | 325 | 300 | 10 | 235,00 | |
| 29220350 | 350 | 16/25 | 970 | - | 661 | 103 | 630 | 377 | 390 | 10 | 376,00 | |
| 29220400 | 400 | 16/25 | 970 | - | 560 | 103 | 630 | 426 | 390 | 10 | 454,00 | |
| 29220500 | 500 | 16/25 | 991 | - | 664 | 104 | 820 | 530 | 500 | 10 | 827,5 | |
| 29220700 | 700* | 16/25 | 1150 | - | - | 88 | 970 | 720 | 600 | 13 | 1182 | |
| 29220800 | 800* | 16/25 | 1346 | - | - | 132 | 1120 | 820 | 700 | 13 | 2595 | |
| 292201000 | 1000* | 16/25 | 1524 | - | - | 82 | 1220 | 1020 | 780 | 15 | 2795 | |
| 292201200 | 1200* | 16/25 | 1650 | - | - | 82 | 1420 | 1220 | 1000 | 15 | 3852 |
Кран шаровой полнопроходной 292 с фланцем для установки привода
Характеристики
Макс. температура (Т) °С.: до +200 °С
Мин. температура (Т) °С.: до -40 °С (исп. У), до -60 °С (исп. ХЛ)
Класс герметичности: Класс «А» ГОСТ Р54808-2011
Срок службы: Не менее 25 лет
Гарантийный срок: 3 года или не менее 10 000 циклов
Материалы корпуса: Сталь 20/09Г2С/12Х18Н10Т
Тип присоединения:
приварной/приварной
Рабочая среда:
Теплосетевая вода, нефтепродукты, ГСМ и другие рабочие среды, неагрессивные для материалов деталей крана
*Краны DN700 - 1400 изготавливаются под заказ. Информация по кранам DN700 - 1400 предоставляется по запросу.
Модификации
| Артикул | DN | PN | L | L1 | H | H1 | D | D1 | D2 | S | Вес | |
|---|---|---|---|---|---|---|---|---|---|---|---|---|
| 29220100 | 100 | 25 | 330 | 525 | 187 | 50 | 180 | 108 | 100 | 5 | 14,30 | |
| 29220125 | 125 | 25 | 360 | 525 | 203 | 47 | 219 | 133 | 125 | 5 | 18,75 | |
| 29220150 | 150 | 25 | 390 | 525 | 228 | 45 | 273 | 159 | 148 | 6 | 25,00 | |
| 29220200 | 200 | 25 | 510 | 1030 | 273 | 51 | 351 | 219 | 200 | 8 | 58,25 | |
| 29220250 | 250 | 25 | 730 | - | 414 | 101 | 426 | 273 | 240 | 10 | 123,00 | |
| 29220300 | 300 | 16/25 | 730 | - | 464 | 101 | 530 | 325 | 300 | 10 | 235,00 | |
| 29220400 | 400 | 16/25 | 970 | - | 560 | 103 | 630 | 426 | 390 | 10 | 454,00 | |
| 29220500 | 500 | 16/25 | 991 | - | 664 | 122 | 820 | 530 | 500 | - | 827,5 | |
| 29220700 | 700* | 16/25 | 1150 | - | - | 88 | 970 | 720 | 600 | 13 | ||
| 29220800 | 800* | 16/25 | 1346 | - | - | 132 | 1120 | 820 | 700 | 13 | ||
| 292201000 | 1000* | 16/25 | 1524 | - | - | 82 | 1220 | 1020 | 780 | 15 | ||
| 292201200 | 1200* | 16/25 | 1650 | - | - | 82 | 1420 | 1220 | 1000 | 15 |